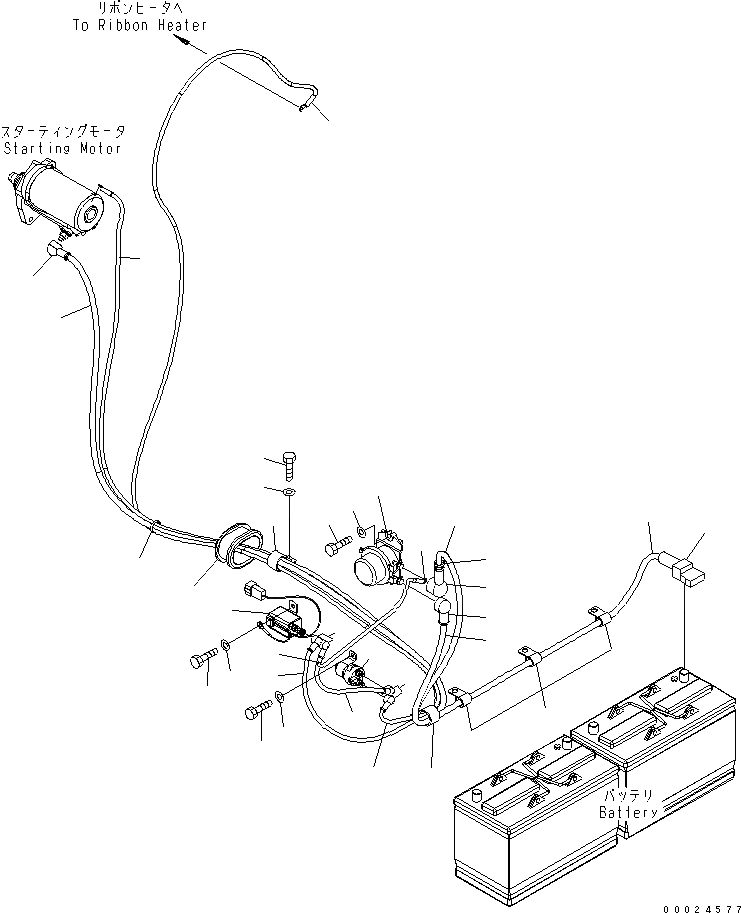
Запчасти Komatsu PW220-7H ЭЛЕКТРОПРОВОДКА (ПРОВОДКА СТАРТЕРА) E ЭЛЕКТРИКА

Схема запчастей Komatsu PW220-7H - ЭЛЕКТРОПРОВОДКА (ПРОВОДКА СТАРТЕРА) E ЭЛЕКТРИКА
11
10
25
21
20
19
4
5
4
8
2
9
14
13
12
11
16
17
24
23
21
14
22
1
3
2
17
18
6
7
18
20
15
16
FIT
1:1
100%

Артикул

Название

Примечание

Количество

1

600-815-8941

RELAY

2

01643-30823

WASHER

3

01010-80820

BOLT

4

08038-00519

CAP

5

600-815-2170

SWITCH

6

01643-30623

WASHER

7

01010-80616

BOLT

8

08088-30000

SWITCH

9

01010-80825

BOLT

10

08038-22009

CAP

11

08028-CB175

CABLE

12

08038-04030

CAP

13

08038-06037

CAP

14

08034-00519

BAND

15

08038-12027

CAP

16

08028-CB250

CABLE

17

20K-06-32320

CABLE

18

20K-06-32282

CABLE

19

20K-06-32271

CABLE

20

20K-06-32251

CABLE

21

208-06-19170

CLIP

22

424-06-14170

GROMMET

23

01643-31232

WASHER

24

01010-81220

BOLT

25

08036-91814

CLIP

Выбрано товаров: 25