Запчасти Komatsu PW220-7H STABILISER ЛИНИЯ H ГИДРАВЛИКА

Схема запчастей Komatsu PW220-7H - STABILISER ЛИНИЯ H ГИДРАВЛИКА
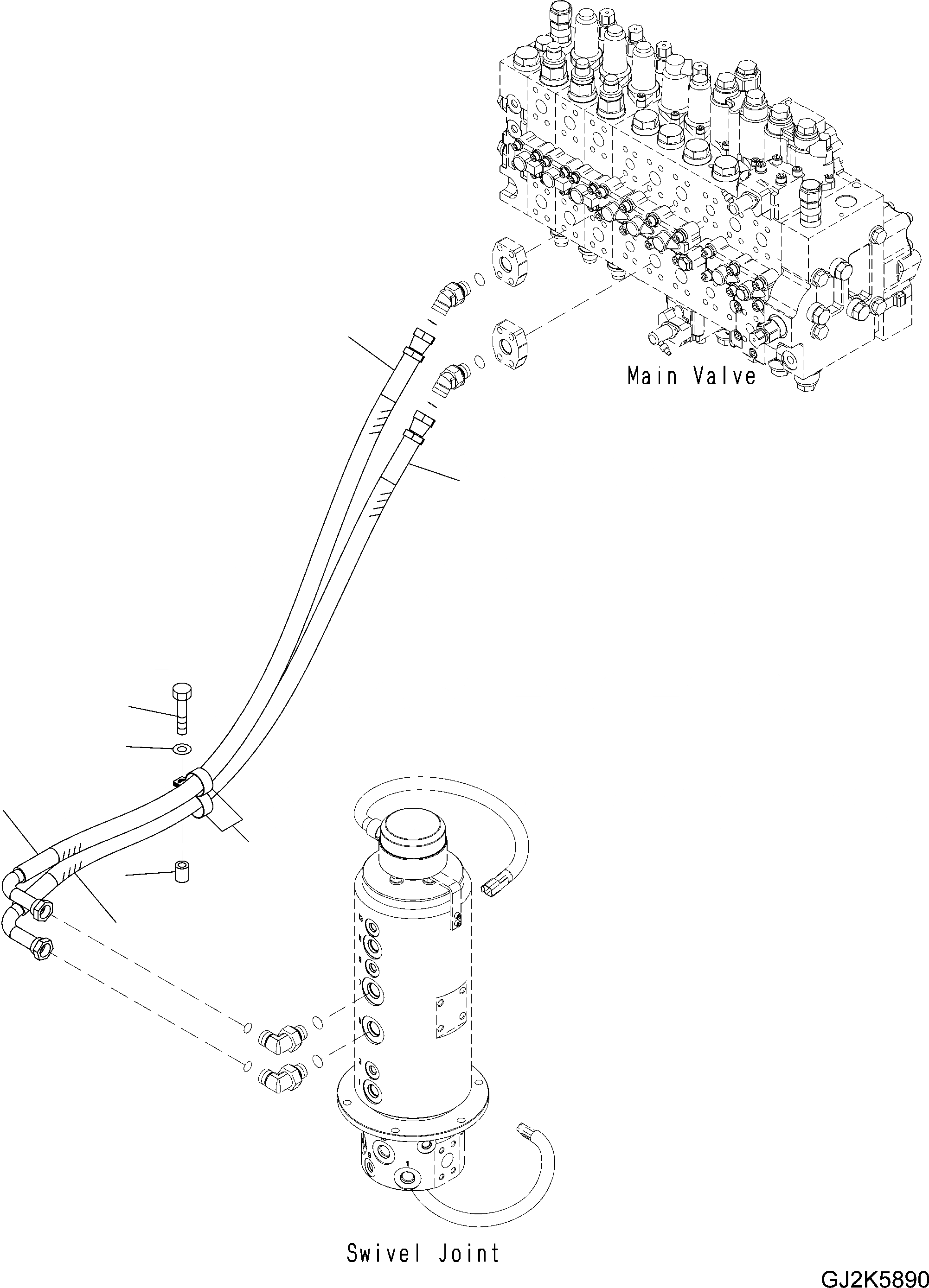
1
2
4
5
1
3
6
2
FIT
1:1
100%

Артикул

Название

Примечание

Количество

1

20K-62-35210

HOSE

2

20K-62-35220

HOSE

3

04434-52712

CLIP

4

01010-81250

BOLT

5

01643-31232

WASHER

6

120-54-42430

SPACER

Выбрано товаров: 6