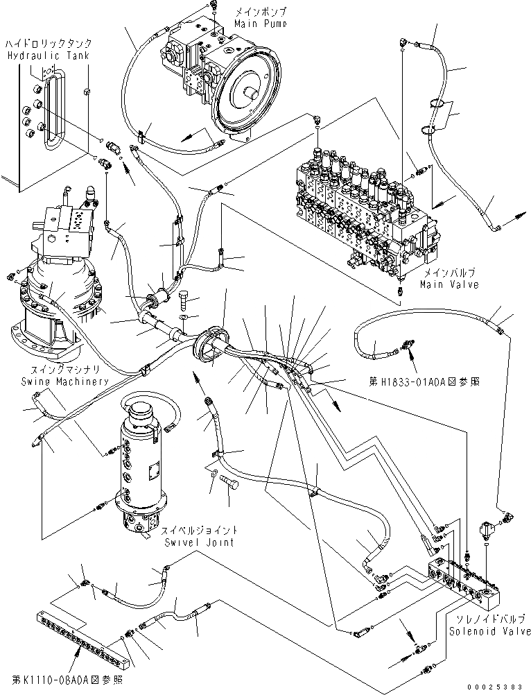
Запчасти Komatsu PW220-7H СОЛЕНОИДНЫЙ КЛАПАН ТРУБЫ H ГИДРАВЛИКА

Схема запчастей Komatsu PW220-7H - СОЛЕНОИДНЫЙ КЛАПАН ТРУБЫ H ГИДРАВЛИКА
27
25
26
36
26
8
34
7
15
16
35
15
16
14
7
8
13
12
11
10
9
4
4
3
6
5
28
28
20
17
18
19
37
5
6
30
29
22
22
42
1
40
21
24
23
24
2
39
41
17
18
14
13
11
12
31
36
31
37
20
19
28
38
37
32
33
c
c
b
b
a
d
d
a
SEE FIG. H1833-01A0
SEE FIG. K1110-08A0
FIT
1:1
100%

Артикул

Название

Примечание

Количество

1

02781-00315

UNION

2

02783-10210

ELBOW

3

02764-00311

HOSE

4

20G-62-K9180

MARK PS

5

02761-00418

HOSE

6

203-62-62480

MARK, T0

|$7

20K-62-37530

HOSE ASSEMBLY

7

02761-00221

HOSE

8

203-62-58170

MARK, P2

9

02761-00223

HOSE

10

203-62-58520

MARK, A1

11

02760-00218

HOSE

12

203-62-58530

MARK, A2

13

02761-00218

HOSE

14

203-62-58140

MARK, A3

15

20K-62-33830

HOSE

16

203-62-62360

MARK, A5

17

20K-62-34390

HOSE

18

20K-62-31750

MARK, A8

19

02764-00314

HOSE

20

203-62-58210

MARK, T1

21

02760-003A5

HOSE

22

203-62-62440

MARK, P0

23

02764-00206

HOSE

24

20E-62-K3560

MARK, A6

25

02761-00212

HOSE

26

20G-62-K8740

MARK, A

27

02766-00214

HOSE

28

04434-52210

CLIP

29

01010-81016

BOLT

30

01643-31032

WASHER

31

207-62-K3110

CLIP

32

01010-81225

BOLT

33

01643-31232

WASHER

34

195-01-14450

CLIP

35

208-62-65120

GROMMET

36

08034-00536

BAND

37

08034-00536

BAND

38

205-62-53780

COVER

39

07002-11423

O-RING

40

07002-12034

O-RING

41

02896-11008

O-RING

42

02896-11009

O-RING

Выбрано товаров: 0