Запчасти Komatsu PW220-7H P.P.C. КЛАПАН РЫЧАГ (RHS) K OPERATORґS ОБСТАНОВКА И СИСТЕМА УПРАВЛЕНИЯ

Схема запчастей Komatsu PW220-7H - P.P.C. КЛАПАН РЫЧАГ (RHS) K OPERATORґS ОБСТАНОВКА И СИСТЕМА УПРАВЛЕНИЯ
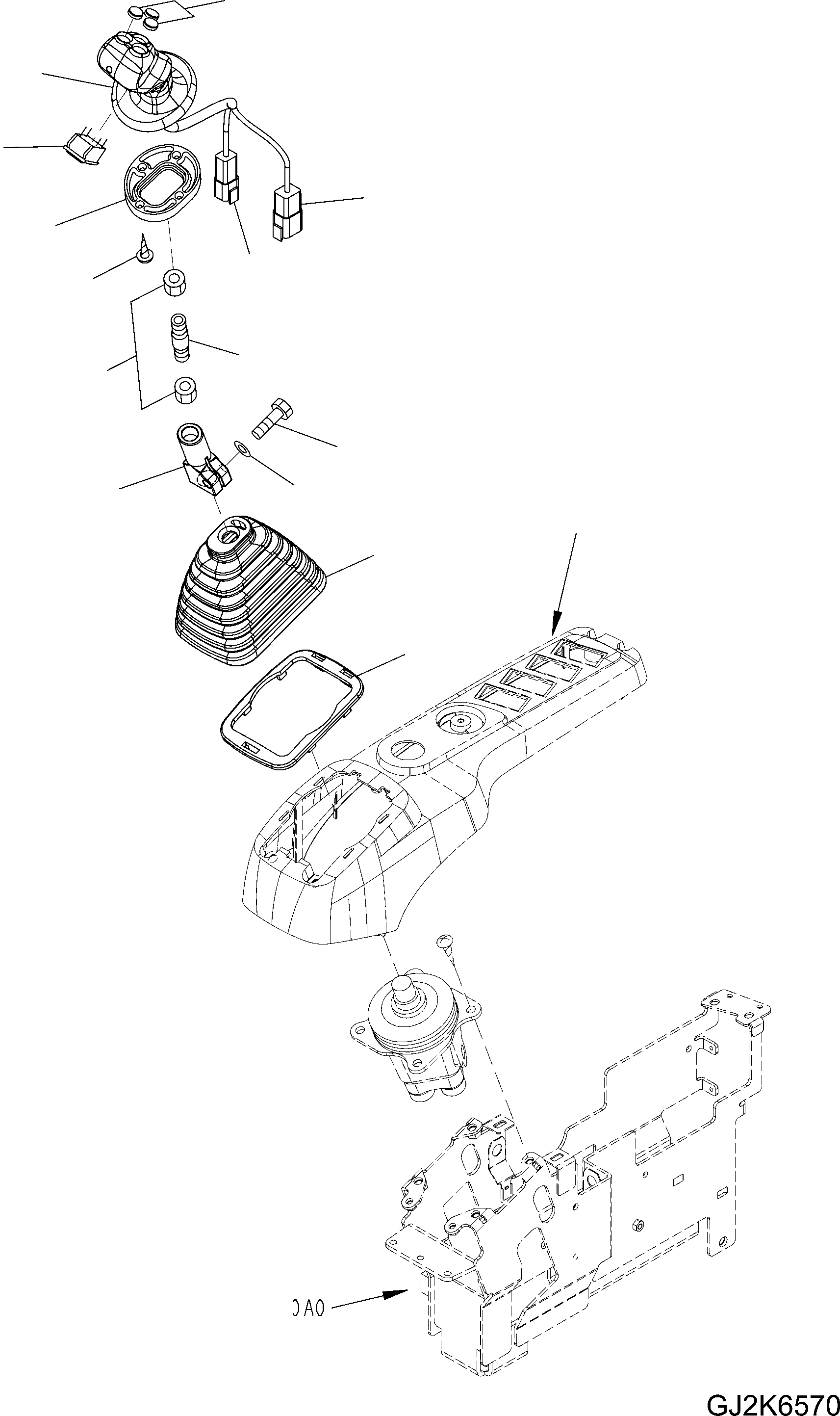
2
1
SEE FIG. K1110-10A0
3
SEE FIG. K1110-10A0
13
1
12
11
4
6
8
5
7
9
10
FIT
1:1
100%

Артикул

Название

Примечание

Количество

1

20G-43-31150

LEVER ASSEMBLY

|$2

20K-43-11501

LEVER

2

20K-43-11510

BUTTON

3

20G-06-31610

SWITCH

|$5

20K-06-31530

SWITCH

4

702-16-56540

ROD

5

702-16-56530

PLATE

6

01583-11408

NUT

7

01643-31032

WASHER

8

01010-81030

BOLT

9

20Y-43-22261

BOOT

10

20Y-43-22250

PLATE

11

01370-30412

SCREW

12

08192-14810

CONNECTOR

13

08192-16810

CONNECTOR

Выбрано товаров: 15