Запчасти Komatsu PW220-7K-KA СОЛЕНОИДНЫЙ КЛАПАН ТРУБЫ(№K-) ГИДРАВЛИКА

Схема запчастей Komatsu PW220-7K-KA - СОЛЕНОИДНЫЙ КЛАПАН ТРУБЫ(№K-) ГИДРАВЛИКА
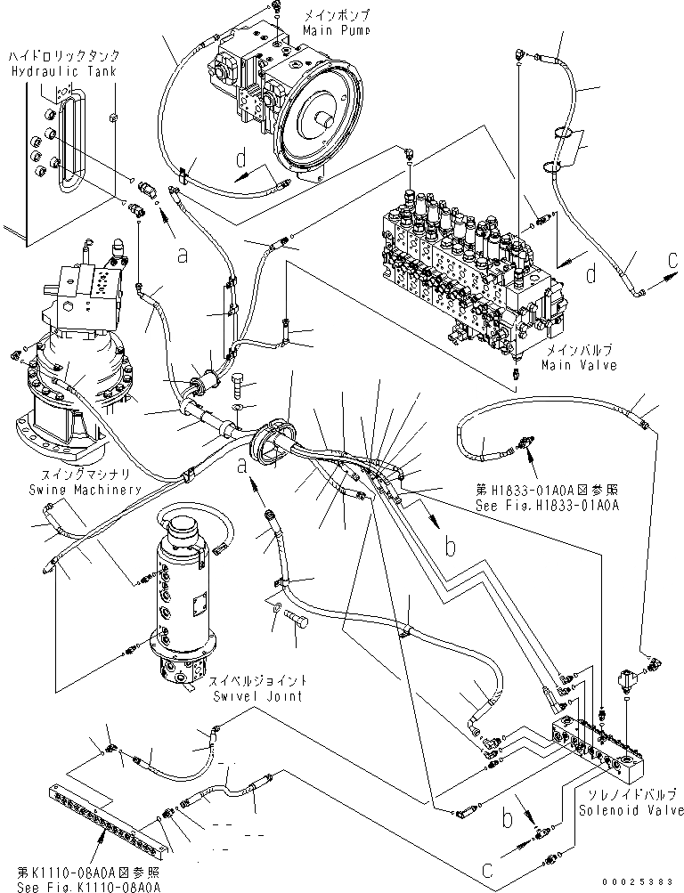
1
2
3
4
4
5
5
6
6
7
7
8
8
9
10
11
11
12
12
13
13
14
14
15
15
16
16
17
17
18
18
19
19
20
20
21
22
22
23
24
24
25
26
26
27
28
28
28
29
30
31
31
32
33
34
35
36
36
37
37
37
38
39
40
41
42
FIT
1:1
100%

Артикул

Название

Примечание

Количество

1

02781-00315

UNION

2

02783-10210

ELBOW

3

02764-00311

HOSE

4

20G-62-K9180

MARK¤ PS

5

02761-00418

HOSE

6

203-62-62480

MARK¤ T0

|7

20K-62-37530

HOSE ASS'Y

7

02761-00221

HOSE

8

203-62-58170

MARK¤ P2

9

02761-00223

HOSE

10

203-62-58520

MARK¤ A1

11

02760-00218

HOSE

12

203-62-58530

MARK¤ A2

13

02761-00218

HOSE

14

203-62-58140

MARK¤ A3

15

20K-62-33830

HOSE

16

203-62-62360

MARK¤ A5

17

20K-62-34390

HOSE

18

20K-62-31750

MARK¤ A8

19

02764-00314

HOSE

20

203-62-58210

MARK¤ T1

21

02760-003A5

HOSE

22

203-62-62440

MARK¤ P0

23

02764-00206

HOSE

24

20E-62-K3560

MARK¤ A6

25

02761-00212

HOSE¤ 1200MM

26

20G-62-K8740

MARK¤ A

27

02766-00214

HOSE

28

04434-52210

CLIP

29

01010-81016

BOLT

30

01643-31032

WASHER

31

207-62-K3110

CLIP

32

01010-81225

BOLT

33

01643-31232

WASHER

34

04435-51912

CLIP

35

208-62-65120

GROMMET

36

08034-00536

BAND

37

08034-00536

BAND

38

205-62-53780

COVER

39

07002-11423

O-RING

40

07002-12034

O-RING

41

02896-11008

O-RING

42

02896-11009

O-RING

Выбрано товаров: 0