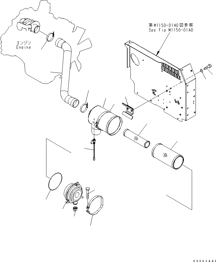
Запчасти Komatsu PW220-7K ВОЗДУХООЧИСТИТЕЛЬ И СОЕДИН-Е КОМПОНЕНТЫ ДВИГАТЕЛЯ

Схема запчастей Komatsu PW220-7K - ВОЗДУХООЧИСТИТЕЛЬ И СОЕДИН-Е КОМПОНЕНТЫ ДВИГАТЕЛЯ
1
2
3
4
5
6
7
8
9
10
11
11
12
13
14
14
FIT
1:1
100%

Артикул

Название

Примечание

Количество

|1

6738-81-7100

AIR CLEANER

1

6738-81-7110

BODY

|2

600-185-3100

ELEMENT ASS'Y

2

ELEMENT,OUTER

3

ELEMENT,INNER

4

600-184-1370

O-RING

|5

600-184-1310

COVER ASS'Y

5

600-184-2810

PLATE

6

600-184-1350

VALVE

7

20K-01-31530

BRACKET

8

01010-81230

BOLT

9

01643-31232

WASHER

10

6643-11-4641

BOLT

11

6131-11-4520

BAND ASS'Y

12

7861-93-1420

SENSOR

13

20K-01-31540

HOSE

14

20Y-01-K1410

CLAMP

Выбрано товаров: 17