Качественные детали и логистика
Оригинальные и аналоговые запчасти с доставкой по России, Казахстану и Беларуси
©2022 PartSell ООО "Система" ИНН 2463123282 ОГРН 1212400004838
Центральный офис: г. Красноярск, Академика Киренского, д.87, пом.4
Телефон: 8 (800) 777-65-74 Email: zakaz@partsell.ru
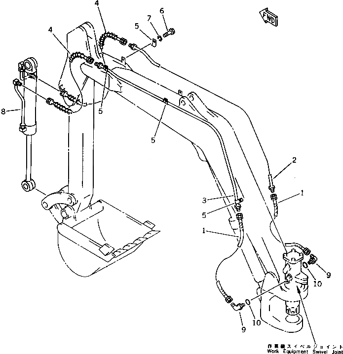
ГИДРОЛИНИЯ (ЦИЛИНДР КОВША) (HOE )
№
Артикул
Название
Примечание
Количество
1
07123-B0308
HOSE
07183-00308
20S-62-23340
2
20R-62-33330
TUBE
3
20R-62-33320
4
07123-20309
5
20S-62-13140
CLAMP
6
01010-51020
BOLT
7
01602-21030
WASHER,SPRING
8
20S-63-76102
CYLINDER ASS'Y,BUCKET (SEE FIG. 7441)
9
20R-62-21141
ELBOW
10
07002-11823
O-RING
Выбрано товаров: 0