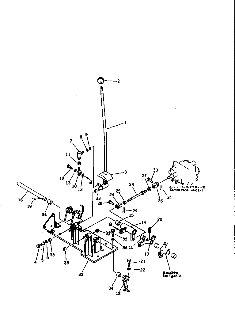
Запчасти Komatsu PW30-1 УПРАВЛЕНИЕ ПОВОРОТОМ СТРЕЛЫ РЫЧАГ (I.S.O. PATTERN) (КРОМЕ ЯПОН.) СИСТЕМА УПРАВЛЕНИЯ¤ ОСНОВНАЯ РАМА И ШАССИ

Схема запчастей Komatsu PW30-1 - УПРАВЛЕНИЕ ПОВОРОТОМ СТРЕЛЫ РЫЧАГ (I.S.O. PATTERN) (КРОМЕ ЯПОН.) СИСТЕМА УПРАВЛЕНИЯ¤ ОСНОВНАЯ РАМА И ШАССИ
FIT
1:1
100%

Артикул

Название

Примечание

Количество

1

21F-43-14110

LEVER

2

09304-10835

KNOB

3

20S-43-11230

COVER

4

01010-50816

BOLT

5

01602-20825

WASHER,SPRING

6

22W-43-17330

WASHER

7

207-43-11170

JOINT

8

01643-51032

WASHER

9

01602-21030

WASHER,SPRING

10

04252-21061

END,ROD

11

01582-11008

NUT

12

01010-51035

BOLT

13

04254-01032

SPACER

14

21F-43-14121

LEVER

15

195-61-34130

BEARING

16

21E-43-21250

SHAFT

17

21E-43-21230

LEVER

18

21E-43-21240

LEVER

19

04010-00519

KEY

20

04025-00640

PIN,SPRING

21

01010-50830

BOLT

22

01602-20825

WASHER,SPRING

23

04248-30817

ROD

24

04220-20832

YOKE,L.H. THREAD

25

01508-30805

NUT,L.H. THREAD

26

21E-43-12191

YOKE

27

01580-10806

NUT

28

04205-10822

PIN

29

04050-12012

PIN,COTTER

30

04205-10520

PIN

31

04050-11210

PIN,COTTER

32

21F-43-17110

BRACKET

33

203-43-31420

BUSHING

34

195-61-34130

BEARING

35

01010-51035

BOLT

36

01602-21030

WASHER,SPRING

Выбрано товаров: 36