Запчасти Komatsu PW30-1 УПРАВЛЯЮЩ. КЛАПАН¤ ПЕРЕДН. ЛЕВ. (/) УПРАВЛ-Е РАБОЧИМ ОБОРУДОВАНИЕМ

Схема запчастей Komatsu PW30-1 - УПРАВЛЯЮЩ. КЛАПАН¤ ПЕРЕДН. ЛЕВ. (/) УПРАВЛ-Е РАБОЧИМ ОБОРУДОВАНИЕМ
FIT
1:1
100%

Артикул

Название

Примечание

Количество

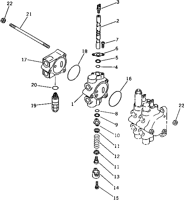
|1

21E-60-12220

VALVE ASS'Y,FRONT L.H.

|1

KB21013-21516

SPOOL SECTION ASS'Y

1

HOUSING

2

SPOOL

3

KB21011-22253

HEAD

4

KB95111-01200

O-RING (K3)

5

KB21011-22151

WIPER (K3)

6

KB21011-21152

SEAL

7

KB91311-50102

SCREW

8

KB95111-01200

O-RING (K3)

9

KB21011-22151

WIPER (K3)

10

KB21011-21152

SEAL

11

KB21011-21251

SEAT,SPRING

12

KB21011-22457

SPRING

13

KB21011-22351

SCREW

14

KB21011-21851

CAP

15

KB92702-05121

BOLT

16

KB95121-05500

O-RING (K3)

|17

KB21013-20161

INLET SECTION ASS'Y

17

KB21011-20156

HOUSING

18

KB95121-05500

O-RING

19

KB21013-30664

RELIEF VALVE ASS'Y

20

KB21001-00036

O-RING

21

KB21031-30104

STUD

22

KB93328-08652

NUT

Выбрано товаров: 25