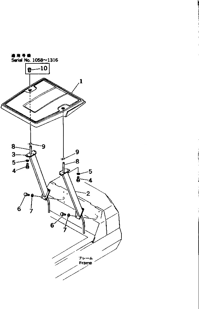
Запчасти Komatsu PW30T-1 НАВЕС(№-) ЧАСТИ КОРПУСА

Схема запчастей Komatsu PW30T-1 - НАВЕС(№-) ЧАСТИ КОРПУСА
FIT
1:1
100%

Артикул

Название

Примечание

Количество

1

20S-54-33111

ROOF ASS'Y

|1

20S-54-33110

ROOF ASS'Y

|1

20S-54-23100

ROOF ASS'Y

2

20S-54-23130

POLE,L.H.

3

20S-54-23140

POLE,R.H.

4

01010-51025

BOLT

5

01602-21030

WASHER,SPRING

6

01010-51025

BOLT

7

01643-21032

WASHER

8

07287-01917

HOSE

|8

07287-01917

HOSE

9

04059-01020

WIRE,LOCK

|9

04059-01020

WIRE,LOCK

10

07049-01822

PLUG

Выбрано товаров: 14