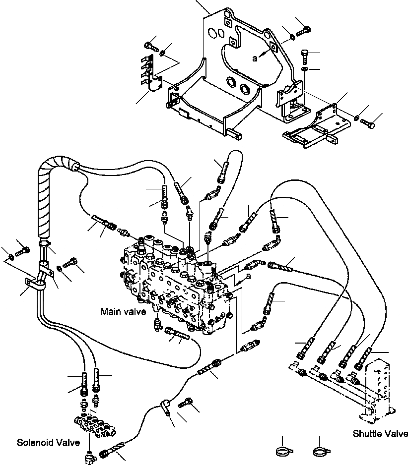
Запчасти Komatsu PW400MH-6 FIG. H-AA ОСНОВН. УПРАВЛЯЮЩ. КЛАПАН - КОРПУС КЛАПАНА ГИДРАВЛИКА

Схема запчастей Komatsu PW400MH-6 - FIG. H-AA ОСНОВН. УПРАВЛЯЮЩ. КЛАПАН - КОРПУС КЛАПАНА ГИДРАВЛИКА
1
4
5
10
11
2
3
6
8
9
7
16
18
19
15
20
16
14
28
17
21
29
13
22
27
29
24
25
12
12
13
15
20
19
14
18
17
23
21
8
27
29
30
31
26
23
FIT
1:1
100%

Артикул

Название

Примечание

Количество

1

207-62-61830

BRACKET

2

01010-81660

BOLT

3

01643-31645

WASHER

4

01010-81650

BOLT

5

01643-31645

WASHER

6

20Y-62-22321

BRACKET

7

01010-81230

BOLT

8

01643-31232

WASHER

9

207-62-61441

BRACKET

10

01010-81235

BOLT

11

01643-31232

WASHER

12

20Y-62-22610

HOSE

13

20Y-62-22620

HOSE

14

20Y-62-22630

HOSE

15

20Y-62-22641

HOSE, 800 MM

16

207-62-63131

HOSE ASSEMBLY, 500 MM

|$16

207-62-63760

HOSE ASSEMBLY

17

203-62-52260

HOSE, 1300 MM

18

203-62-52350

HOSE, 1200 MM

19

20Y-62-22881

HOSE

20

20Y-62-22830

BAND, WHITE

21

20Y-62-22840

BAND, BLACK

22

08034-00519

STRAP, TIE

23

07102-20307

HOSE

24

04434-53212

CLIP

25

195-06-41830

CLIP

26

04434-51812

CLIP

27

01010-81225

BOLT

28

01010-81220

BOLT

29

01643-31232

WASHER

30

08034-00519

STRAP, TIE

31

08034-00536

STRAP, TIE

Выбрано товаров: 32