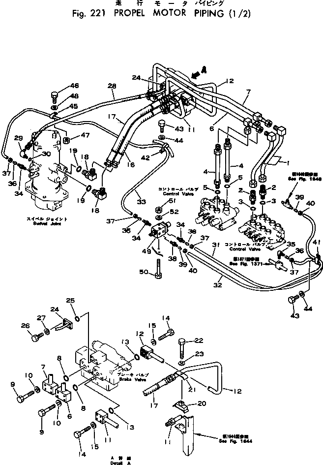
Запчасти Komatsu PW60-1 МОТОР ХОДА ТРУБЫ (/) ХОД И ТРАНСМИССИЯ

Схема запчастей Komatsu PW60-1 - МОТОР ХОДА ТРУБЫ (/) ХОД И ТРАНСМИССИЯ
FIT
1:1
100%

Артикул

Название

Примечание

Количество

1

20B-62-21320

TUBE

2

201-62-21630

NIPPLE

3

07002-12034

O-RING

4

201-62-21690

TUBE

5

07002-12034

O-RING

6

20B-62-21270

TUBE

7

20B-62-21260

TUBE

8

07000-13032

O-RING

9

01010-31055

BOLT

10

01602-01030

WASHER

11

20B-62-21280

TUBE

12

20B-62-21290

TUBE

13

07000-13025

O-RING

14

01010-30850

BOLT

15

01602-00825

WASHER

16

07121-00604

HOSE

17

07121-00605

HOSE

18

07235-10628

ELBOW

19

07002-12434

O-RING

20

201-62-21910

CLAMP

21

201-62-21880

CLAMP

22

01010-31070

BOLT

23

01602-01030

WASHER

24

20B-62-21210

TUBE

25

07000-12016

O-RING

26

01010-30825

BOLT

27

01602-00825

WASHER

28

07123-40207

HOSE

29

07236-10210

ELBOW

30

07002-11423

O-RING

31

07822-00413

TUBE

32

07822-00613

TUBE

33

07822-00420

TUBE

34

07836-00413

CONNECTOR

35

07834-00413

ELBOW

36

07831-00411

SLEEVE

37

07832-00410

NUT

38

07836-00613

CONNECTOR

39

07831-00612

SLEEVE

40

07832-00614

NUT

41

08036-11214

CLIP

42

08036-02514

CLIP

43

01010-31020

BOLT

44

01602-01030

WASHER

45

08036-11210

CLIP

46

01010-31035

BOLT

47

01580-01008

NUT

48

01602-01030

WASHER

49

20B-60-21500

VALVE ASS'Y

50

01010-30870

BOLT

51

01580-00806

NUT

52

01602-00825

WASHER

Выбрано товаров: 52