Качественные детали и логистика
Оригинальные и аналоговые запчасти с доставкой по России, Казахстану и Беларуси
©2022 PartSell ООО "Система" ИНН 2463123282 ОГРН 1212400004838
Центральный офис: г. Красноярск, Академика Киренского, д.87, пом.4
Телефон: 8 (800) 777-65-74 Email: zakaz@partsell.ru
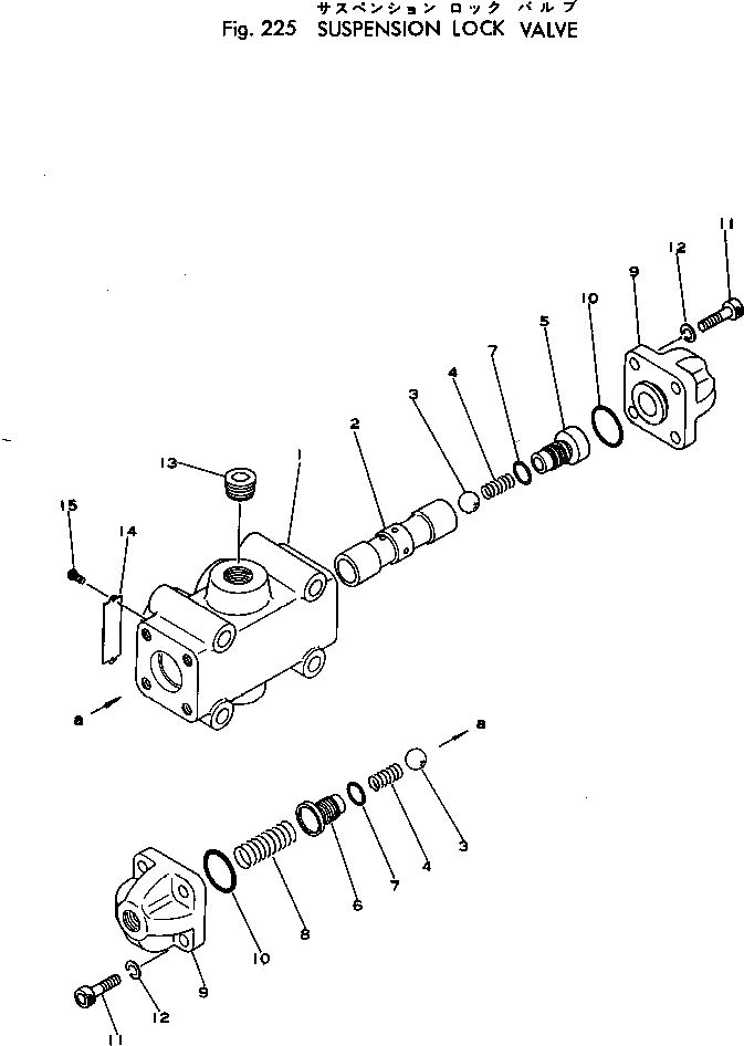
СТОПОРН. КЛАПАН ПОДВЕСКИ
№
Артикул
Название
Примечание
Количество
|$0
20B-60-21200
VALVE ASS'Y,SUSPENSION LOCK
1
BODY
2
SPOOL
3
20B-60-18150
BALL
4
20B-60-18160
SPRING
5
20B-60-21210
PLUG
6
20B-60-21220
7
20B-60-18180
O-RING
8
20B-60-21230
9
20B-60-18280
COVER
10
20B-60-18290
11
20B-60-21240
WASHER
12
20B-60-18310
BOLT
13
07043-00312
Выбрано товаров: 0