Запчасти Komatsu PW60-1 ТРАНСМИССИЯ (/) ХОД И ТРАНСМИССИЯ

Схема запчастей Komatsu PW60-1 - ТРАНСМИССИЯ (/) ХОД И ТРАНСМИССИЯ
FIT
1:1
100%

Артикул

Название

Примечание

Количество

|$0

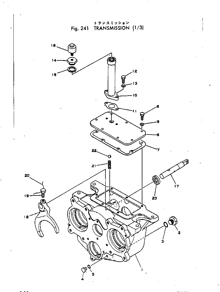
20B-14-00012

TRANSMISSION ASS'Y

1

20B-14-21110

CASE

2

07044-02412

PLUG

3

07002-02434

O-RING

4

07040-11007

PLUG

5

07002-01023

O-RING

6

20B-14-21120

COVER

7

20B-14-21140

GASKET

8

01010-31030

BOLT

9

01602-01030

WASHER

10

20B-14-21150

TUBE

11

07343-03408

GASKET

12

01010-31030

BOLT

13

01602-01030

WASHER

14

20B-14-21230

PLUG

15

07005-03016

GASKET

16

07030-00252

BREATHER

17

20B-14-25110

SHAFT

18

20B-14-25120

FORK

19

170-14-13222

SCREW

20

04059-01650

WIRE

21

120-14-12141

SPRING

22

120-14-12150

BALL

23

07017-00025

SEAL

Выбрано товаров: 24