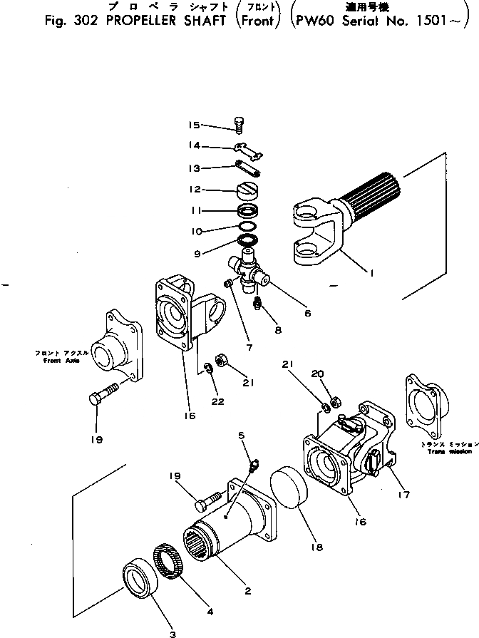
Запчасти Komatsu PW60-1 ВЕДУЩ. ВАЛ (ПЕРЕДН.) МОСТ¤ КОЛЕСА И СИСТЕМАУПРАВЛЕНИЯ ПОВОРОТОМ

Схема запчастей Komatsu PW60-1 - ВЕДУЩ. ВАЛ (ПЕРЕДН.) МОСТ¤ КОЛЕСА И СИСТЕМАУПРАВЛЕНИЯ ПОВОРОТОМ
FIT
1:1
100%

Артикул

Название

Примечание

Количество

|$0

IJ9-37002-3191

PROPELLER SHAFT A.

1

IJ1-37171-0100

SHAFT

2

IJ9-37245-2460

SLEEVE

3

IJ9-37248-0070

RETAINER

4

IJ9-09922-1000

RING

5

IJ9-0903-10100

FITTING

|$6

IJ9-37300-1120

JOURNAL ASS'Y

6

IJ9-37311-0270

SPIDER

7

IJ9-09205-3100

PLUG

8

IJ9-0903-10100

FITTING

9

IJ9-37351-0120

SEAT

10

IJ9-09220-6420

RING

11

IJ9-37352-0150

RING

12

IJ9-00096-2300

BEARING

13

IJ9-37355-0070

COVER

14

IJ9-37356-0040

PLATE

15

IJ9-09801-2550

BOLT

16

IJ9-37211-0540

FLANGE

17

IJ9-37211-0550

YOKE

18

IJ9-37249-0190

PLUG

19

IJ9-09801-0950

BOLT

20

IJ9-9911-05120

NUT

21

IJ9-0915-06120

WASHER

Выбрано товаров: 23