Запчасти Komatsu PW60-1 ПЕРЕДНИЙ МОСТ (/) МОСТ¤ КОЛЕСА И СИСТЕМАУПРАВЛЕНИЯ ПОВОРОТОМ

Схема запчастей Komatsu PW60-1 - ПЕРЕДНИЙ МОСТ (/) МОСТ¤ КОЛЕСА И СИСТЕМАУПРАВЛЕНИЯ ПОВОРОТОМ
FIT
1:1
100%

Артикул

Название

Примечание

Количество

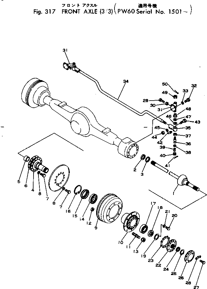
1

IJ1-43310-0070

SHAFT,L.H.

1

IJ1-43310-0060

SHAFT,R.H.

2

IJ1-09625-1920

SEAL

3

IJ9-43339-0030

GUIDE

|$4

IJ1-43241-0060

SPINDLE ASS'Y

4

IJ1-43241-0050

SPINDLE

5

IJ9-43321-0040

BUSHING

6

IJ9-43254-0050

PACKING

7

IJ9-9106-12450

BOLT

7

IJ9-9206-12350

BOLT

8

IJ9-0915-05120

WASHER

|$11

IJ1-42310-1731

DRUM ASS'Y,L.H.

|$12

IJ1-42310-1721

DRUM ASS'Y,R.H.

9

IJ1-42315-0541

DRUM

10

IJ1-42312-0201

HUB,WHEEL

11

IJ9-4233-21641

PIN,L.H.

11

IJ9-4233-11771

PIN,R.H.

12

IJ9-09840-3180

NUT,L.H.

12

IJ9-09840-3170

NUT,R.H.

13

IJ1-42334-0140

NUT,L.H.

13

IJ1-42333-0140

NUT,R.H.

14

IJ9-00093-0320

BEARING

14

IJ1-09812-0220

BEARING

15

IJ9-09924-4160

SEAL

15

IJ9-09924-4150

SEAL

15

IJ9-09924-4170

SEAL

16

IJ9-09950-1470

RING

17

IJ9-00093-1610

BEARING

17

IJ1-09812-0440

BEARING

18

IJ9-09843-0640

NUT

19

IJ9-09854-1130

WASHER

20

IJ9-0205-06160

BOLT

21

IJ9-09150-6060

WASHER

22

IJ1-42312-0280

FLANGE

23

IJ1-42175-0010

PACKING

24

IJ1-42319-0230

PIECE

25

IJ9-09952-2530

RING

26

IJ1-42319-0240

COVER

27

IJ9-09804-2390

BOLT

28

IJ9-42176-0010

PLATE

29

IJ9-9205-14350

BOLT

30

IJ9-9911-14140

NUT

31

IJ9-43262-0171

ARM,L.H.

31

IJ9-43263-0111

ARM,R.H.

32

IJ9-9206-16400

BOLT

33

IJ9-0915-05160

WASHER

34

IJ1-43151-0190

ROD

35

IJ9-43156-0200

ROD ASS'Y,L.H.

35

IJ9-43155-0170

ROD ASS'Y,R.H.

36

IJ1-44361-0421

JOINT

37

IJ9-44371-1330

SEAT

38

IJ9-44373-0020

SEAT

39

IJ9-09940-0570

SPRING

40

IJ9-44375-0230

PLUG

41

IJ9-0811-40650

PIN

42

07020-00675

FITTING

43

IJ9-9105-62450

BOLT

44

IJ9-9911-04120

NUT

45

IJ9-0915-05120

WASHER

46

IJ9-09923-0520

PACKING

47

IJ9-09857-0310

WASHER

48

IJ9-09941-2630

SPRING

49

IJ9-09841-0690

NUT

50

IJ9-0811-50400

PIN

Выбрано товаров: 64