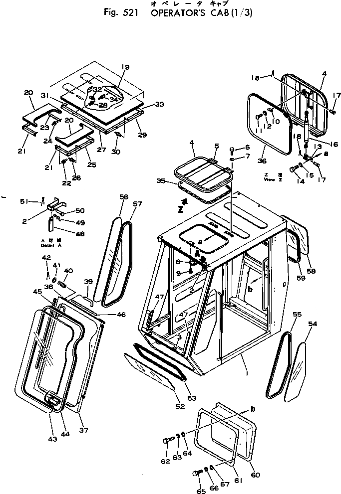
Запчасти Komatsu PW60-1 КАБИНА (/) ОСНОВНАЯ РАМА И КАБИНА

Схема запчастей Komatsu PW60-1 - КАБИНА (/) ОСНОВНАЯ РАМА И КАБИНА
FIT
1:1
100%

Артикул

Название

Примечание

Количество

|$0

20B-54-00014

OPERATOR'S CAB ASS'Y

|$1

20B-54-00013

OPERATOR'S CAB ASS'Y

1

20B-54-27110

GUARD

2

201-54-22920

BRACKET (WELDED)

3

201-54-22451

SEAT

4

201-54-27460

COVER

5

205-54-63490

HINGE

6

01010-30612

BOLT

7

01602-00619

WASHER

8

203-54-11290

CATCHER

9

01224-40410

SCREW

10

205-54-63630

HOOK

11

01220-40412

SCREW

12

01601-20410

WASHER

13

205-54-63640

BRACKET

14

01010-30820

BOLT

15

01602-00825

WASHER

16

205-54-63650

GAS SPRING ASS'Y

17

04205-10825

PIN

18

04050-12012

PIN

19

201-54-27310

LEATHER

20

201-54-27430

SEAT

21

201-54-27260

PLATE

22

201-54-22560

RIVET

23

201-54-27270

PLATE

24

201-54-22560

RIVET

25

201-54-27420

PLATE

26

201-54-22560

RIVET

27

201-54-27410

PLATE

28

201-54-22560

RIVET

29

201-54-27280

PLATE

30

201-54-22560

RIVET

31

201-54-27290

PLATE

32

201-54-22560

RIVET

33

201-54-22540

PLATE

34

201-54-22560

RIVET

35

205-54-61541

FINISHER

36

205-54-61491

SEAL

36

201-54-00141

FRONT DOOR ASS'Y

37

20B-54-27120

DOOR

37

201-54-22580

LOCK ASS'Y,L.H.

37

201-54-22870

LOCK ASS'Y,R.H.

38

201-54-22590

BRACKET,L.H.

38

201-54-22860

BRACKET,R.H.

39

201-54-22610

ROD (WELDED)

40

154-54-22510

SPRING

41

01641-21016

WASHER

42

04025-00320

PIN

43

201-54-27180

GLASS

44

09410-00323

STRIP,WEATHER

45

201-54-27360

SEAL

46

201-54-27320

SEAT

47

201-54-27370

SEAL

48

201-54-27330

LEVER

49

201-54-22960

SPRING

50

135-43-16460

PIN

51

04050-13015

PIN

52

201-54-27170

GLASS

53

09410-00190

STRIP

54

201-54-27140

GLASS

55

09410-00185

STRIP,WEATHER

56

201-54-27450

GLASS

57

09410-00237

STRIP,WEATHER

58

201-54-27160

GLASS

59

09410-00260

STRIP,WEATHER

60

201-54-27380

COVER

61

201-54-22491

SEAT

62

01010-31020

BOLT

63

01602-01030

WASHER

64

01643-31032

WASHER

65

01010-31035

BOLT

66

01602-01030

WASHER

67

01643-31032

WASHER

Выбрано товаров: 73