Запчасти Komatsu PW60-1 ОБОГРЕВАТЕЛЬ. ОСНОВНАЯ РАМА И КАБИНА

Схема запчастей Komatsu PW60-1 - ОБОГРЕВАТЕЛЬ. ОСНОВНАЯ РАМА И КАБИНА
FIT
1:1
100%

Артикул

Название

Примечание

Количество

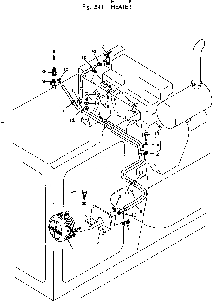
1

09480-02400

HEATER

2

20B-54-23110

BRACKET

3

01010-31025

BOLT

4

01602-01030

WASHER

5

09483-00427

HOSE

6

09483-00424

HOSE

7

201-54-24130

VALVE

8

20R-54-19120

JOINT

9

07730-00003

VALVE

10

07281-00229

CLAMP

11

202-981-1360

BUSHING

12

141-04-34110

CLIP

13

01010-31020

BOLT

14

01602-01030

WASHER

15

175-06-36150

CLIP

Выбрано товаров: 15