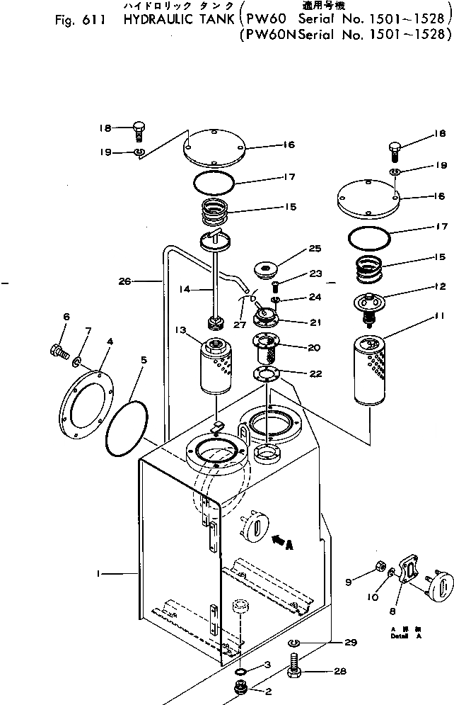
Запчасти Komatsu PW60-1 ГИДР. БАК.(№-8) УПРАВЛ-Е РАБОЧИМ ОБОРУДОВАНИЕМ

Схема запчастей Komatsu PW60-1 - ГИДР. БАК.(№-8) УПРАВЛ-Е РАБОЧИМ ОБОРУДОВАНИЕМ
FIT
1:1
100%

Артикул

Название

Примечание

Количество

|$0

201-60-00090

HYDRAULIC TANK ASS'Y

1

201-60-22110

TANK

2

07044-13620

PLUG

3

07002-03634

O-RING

4

203-60-12130

COVER

5

07000-05180

O-RING

6

01010-31230

BOLT

7

01602-01236

WASHER

8

155-60-12300

LEVEL GAUGE ASS'Y

9

01580-01008

NUT

10

01602-01030

WASHER

11

154-60-12170

ELEMENT

12

125-62-21150

VALVE ASS'Y

13

201-60-12121

STRAINER

14

201-60-22120

ROD

15

125-62-21170

SPRING

16

201-60-22130

COVER

17

07000-02140

O-RING

18

01010-31230

BOLT

19

01602-01236

WASHER

20

205-60-51480

SCREEN

21

201-60-12171

FILLER

22

205-60-51460

GASKET

23

01220-40516

SCREW

24

01601-00513

WASHER

25

201-60-12190

CAP ASS'Y

26

07270-00890

TUBE

27

04059-01010

WIRE

28

01010-31230

BOLT

29

01605-11226

WASHER

Выбрано товаров: 30