Запчасти Komatsu PW60-3 ТРАНСМИССИЯ (/) ПОВОРОТН. И ТРАНСМИССИЯ

Схема запчастей Komatsu PW60-3 - ТРАНСМИССИЯ (/) ПОВОРОТН. И ТРАНСМИССИЯ
FIT
1:1
100%

Артикул

Название

Примечание

Количество

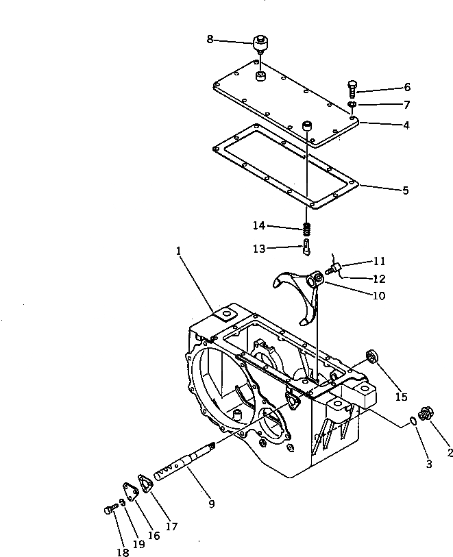
|1

20B-14-00021

TRANSMISSION ASS'Y

|1

20B-14-00020

TRANSMISSION ASS'Y

1

20B-14-31111

CASE

|1

20B-14-31110

CASE

2

07044-12412

PLUG

3

07002-02434

O-RING

4

20B-14-31260

COVER

5

20B-14-31270

GASKET

6

01010-51030

BOLT

7

01602-21030

WASHER,SPRING

8

07030-00252

BREATHER

9

20B-14-31250

SHAFT

10

20B-14-31240

FORK

11

170-14-13222

SCREW

12

04059-01610

WIRE

13

141-14-32371

PLUNGER

14

141-14-32380

SPRING

15

07017-00018

SEAL

16

20B-14-31280

PLATE

17

20B-14-31290

GASKET

18

01010-50820

BOLT

19

01602-20825

WASHER,SPRING

Выбрано товаров: 22