Запчасти Komatsu PW60-3 ТРАНСМИССИЯ (/) ПОВОРОТН. И ТРАНСМИССИЯ

Схема запчастей Komatsu PW60-3 - ТРАНСМИССИЯ (/) ПОВОРОТН. И ТРАНСМИССИЯ
FIT
1:1
100%

Артикул

Название

Примечание

Количество

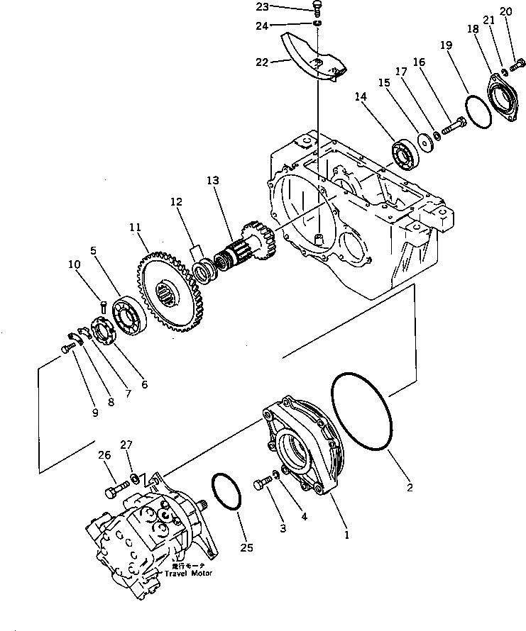
|1

20B-14-00021

TRANSMISSION ASS'Y

|1

20B-14-00020

TRANSMISSION ASS'Y

1

20B-14-31120

CAGE

2

07000-05250

O-RING

3

01010-51235

BOLT

4

01602-21236

WASHER,SPRING

5

06044-00311

BEARING

6

141-14-34220

NUT

7

141-14-34240

PLATE,LOCK

8

141-14-34250

PLATE,LOCK

9

01010-50616

BOLT

10

20B-14-31340

PIN

11

20B-14-31370

GEAR

12

120-14-32280

COLLAR

13

20B-14-31390

GEAR

14

06040-06308

BEARING

15

362-15-13270

PLATE

16

01050-51275

BOLT

17

01643-31232

WASHER

18

20G-14-12160

COVER

|18

20D-14-41240

COVER

19

07000-02100

O-RING

|19

07000-02105

O-RING

20

01010-51030

BOLT

21

01602-21030

WASHER,SPRING

22

20B-14-31320

COVER

23

01010-51030

BOLT

24

01602-21030

WASHER,SPRING

25

07000-02110

O-RING

26

01010-52055

BOLT

27

01643-32060

WASHER

Выбрано товаров: 31