Запчасти Komatsu PW60-3 ГИДР. НАСОС.¤ ПЕРЕДН. (/) УПРАВЛ-Е РАБОЧИМ ОБОРУДОВАНИЕМ

Схема запчастей Komatsu PW60-3 - ГИДР. НАСОС.¤ ПЕРЕДН. (/) УПРАВЛ-Е РАБОЧИМ ОБОРУДОВАНИЕМ
FIT
1:1
100%

Артикул

Название

Примечание

Количество

|1

708-21-01073

PUMP ASS'Y,(HPV 35+35)

|1

708-21-01072

PUMP ASS'Y,(HPV 35+35)

|1

708-21-01071

PUMP ASS'Y,(HPV 35+35)

|1

708-21-01070

PUMP ASS'Y,(HPV 35+35)

|1

708-21-10801

PUMP ASS'Y,(HPV 35+35)

|1

708-21-01252

PUMP ASS'Y

|1

708-21-01251

PUMP ASS'Y

|1

708-21-01250

PUMP ASS'Y

|1

708-21-11500

PUMP ASS'Y

|1

708-21-00010

CASE ASS'Y,FRONT

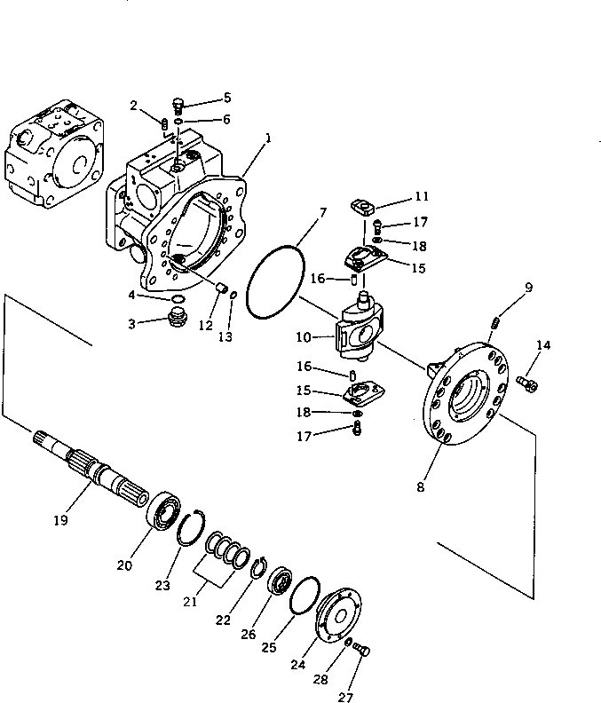
1

CASE,FRONT

2

PLUG

3

07044-12412

PLUG

4

07002-02434

O-RING

5

720-68-19870

PLUG

6

07002-01223

O-RING

7

07000-02145

O-RING

|8

708-21-00030

CRADLE ASS'Y,FRONT

|8

708-21-00100

CRADLE SUB ASS'Y,FRONT

8

CRADLE,FRONT

9

PLUG

10

708-21-13410

CAM

11

708-21-14220

SLIDER

12

708-21-12330

JOINT

13

07000-12012

O-RING

14

708-21-12380

BOLT

15

708-21-12340

PLATE

16

708-23-12370

PIN

17

708-21-12350

SCREW

18

708-21-12360

WASHER

19

708-21-12711

SHAFT,FRONT

20

708-21-12751

BEARING

21

708-21-05010

WASHER KIT

|21

WASHER

|21

WASHER

|21

WASHER

|21

WASHER

22

708-25-22830

RING,SNAP

23

708-21-12660

RING,SNAP

24

708-21-12851

HOUSING

25

07000-02055

O-RING

26

708-21-12860

SEAL

27

01010-30616

BOLT

28

01643-30623

WASHER

Выбрано товаров: 44