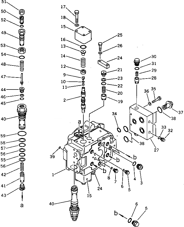
Запчасти Komatsu PW60-3 МОТОР ХОДА (/) УПРАВЛ-Е РАБОЧИМ ОБОРУДОВАНИЕМ

Схема запчастей Komatsu PW60-3 - МОТОР ХОДА (/) УПРАВЛ-Е РАБОЧИМ ОБОРУДОВАНИЕМ
FIT
1:1
100%

Артикул

Название

Примечание

Количество

|$0

706-75-10902

TRAVEL MOTOR ASS'Y

|$1

706-75-10901

TRAVEL MOTOR ASS'Y

|$3

706-75-00040

HOUSING SUB ASS'Y

1

HOUSING

2

SPOOL

3

706-77-72280

PLUG

4

07002-12034

O-RING

5

706-77-72170

PLUG

6

07002-12434

O-RING

7

706-73-71450

PLUG

8

07002-11423

O-RING

9

706-75-74631

PLUG

10

07002-11023

O-RING

11

706-75-74770

PISTON,(SPOOL 706-75-74730 A MARK)

11

706-75-74760

PISTON,(SPOOL 706-75-74730 B MARK)

12

706-75-74640

RETAINER

13

706-75-74661

RETAINER

14

706-75-74650

SPRING

15

706-75-74670

COVER

16

07000-13040

O-RING

17

01010-51070

BOLT

18

01602-21030

WASHER,SPRING

19

706-75-74690

VALVE

20

706-75-74240

SPRING

21

706-75-74261

SEAT

22

07000-13022

O-RING

23

07001-03022

RING,BACK-UP

24

706-75-74680

PLATE

25

01010-51040

BOLT

26

01602-21030

WASHER,SPRING

|$31

706-75-79200

VALVE ASS'Y,SUCTION

27

706-75-79240

BODY

28

706-75-71320

VALVE

29

700-42-31210

SPRING

30

706-75-79250

PLUG

31

07002-12034

O-RING

32

706-73-71450

PLUG

33

07002-11423

O-RING

34

07000-03025

O-RING

35

01010-51045

BOLT

36

01602-21030

WASHER,SPRING

37

706-75-79260

PLUG

38

07000-13032

O-RING

39

07000-12010

O-RING

|$45

706-75-86501

C.O.R. VALVE ASS'Y

40

SLEEVE

41

VALVE

42

SPRING

43

SEAT

44

SEAT

45

O-RING

46

RING,BACK-UP

47

POPPET

48

SPRING

49

HOLDER

50

SCREW

51

NUT

52

O-RING

53

NUT

54

O-RING

55

07000-22020

O-RING

56

07001-02020

RING,BACK-UP

57

07000-13022

O-RING

58

07001-03022

RING,BACK-UP

59

07002-03334

O-RING

Выбрано товаров: 65