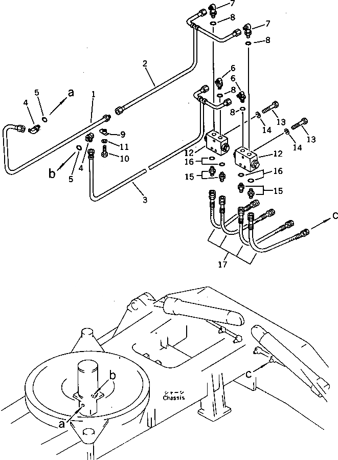
Запчасти Komatsu PW60S-3 ОПОРА ТРУБЫ УПРАВЛ-Е РАБОЧИМ ОБОРУДОВАНИЕМ

Схема запчастей Komatsu PW60S-3 - ОПОРА ТРУБЫ УПРАВЛ-Е РАБОЧИМ ОБОРУДОВАНИЕМ
FIT
1:1
100%

Артикул

Название

Примечание

Количество

1

20B-62-31482

TUBE

2

20B-47-33191

TUBE

3

20B-47-33210

TUBE

4

07235-10315

ELBOW

5

07002-12034

O-RING

6

07235-10315

ELBOW

7

20R-62-11311

ELBOW

8

07002-12034

O-RING

9

114-62-23150

CLIP

10

01010-51035

BOLT

11

01602-21030

WASHER,SPRING

12

21J-60-13430

CHECK VALVE ASS'Y

|12

20S-60-12120

CHECK VALVE ASS'Y

13

01010-50860

BOLT

14

01602-20825

WASHER,SPRING

15

07230-20315

UNION

16

07002-12034

O-RING

17

07121-00305

HOSE

Выбрано товаров: 18