Запчасти Komatsu PW60S-3 ГИДРОЛИНИЯ (ЦИЛИНДР КОВША) УПРАВЛ-Е РАБОЧИМ ОБОРУДОВАНИЕМ

Схема запчастей Komatsu PW60S-3 - ГИДРОЛИНИЯ (ЦИЛИНДР КОВША) УПРАВЛ-Е РАБОЧИМ ОБОРУДОВАНИЕМ
FIT
1:1
100%

Артикул

Название

Примечание

Количество

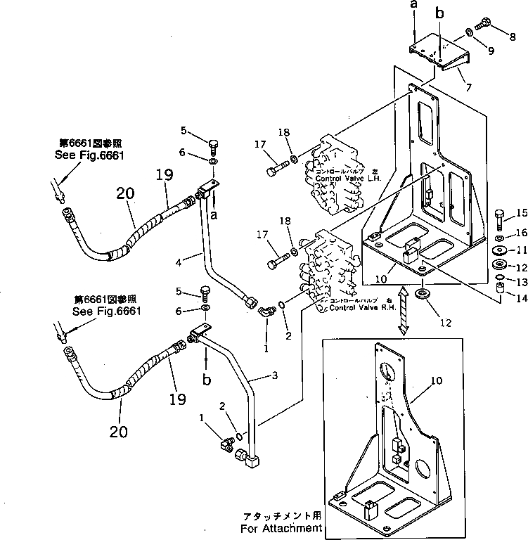
1

07235-10422

ELBOW

2

07002-12034

O-RING

3

20B-62-31221

TUBE

4

20B-62-31231

TUBE

5

01010-51025

BOLT

6

01643-31032

WASHER

7

20B-62-31721

BRACKET

8

01010-51020

BOLT

9

01643-31032

WASHER

10

20B-62-31342

BRACKET

|10

20B-973-3170

BRACKET,(FOR ATTACHMENT)

11

566-35-42430

PLATE

12

203-62-42770

CUSHION

13

07000-03025

O-RING

14

20X-62-21550

SPACER

15

01010-51260

BOLT

16

01643-31232

WASHER

17

01010-51050

BOLT

18

01643-31032

WASHER

19

07086-00410

HOSE

20

203-62-32450

COVER

Выбрано товаров: 0