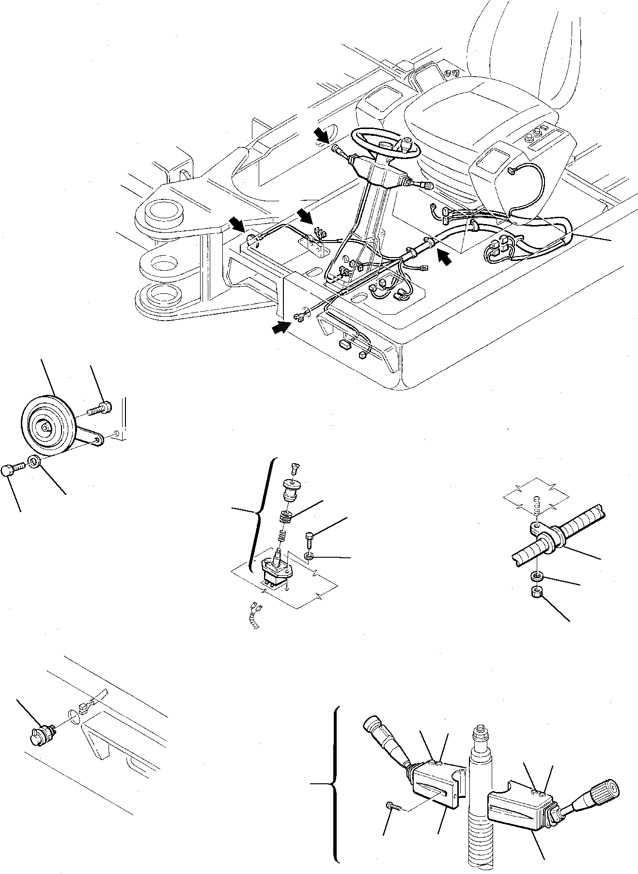
Запчасти Komatsu PW75-1 ЭЛЕКТРИКА (КОЛОНКА И SERVICE ЛИНИЯ) КОМПОНЕНТЫ ДВИГАТЕЛЯ И ЭЛЕКТРИКА

Схема запчастей Komatsu PW75-1 - ЭЛЕКТРИКА (КОЛОНКА И SERVICE ЛИНИЯ) КОМПОНЕНТЫ ДВИГАТЕЛЯ И ЭЛЕКТРИКА
A
B
C
D
E
A
B
C
D
E
1
11
12
18
13
17
19
12
20
14
16
15
10
5
4
7
8
2
9
3
6
FIT
1:1
100%

Артикул

Название

Примечание

Количество

1

22E-06-11180

WIRING HARNESS, ASSY.

2

21D-06-12401

COMMUTATOR, ASSY.

3

21D-06-12321

STEERING COLUMN SWITCH

4

21D-06-12480

EMERGENCY

5

21D-06-12490

HEADLIGHT

6

21D-06-12331

GEAR BOX SWITCH

7

21D-06-12460

GEAR LOWER

8

21D-06-12470

GEAR SPEED

9

21D-09-15790

SCREW

10

21D-06-11220

ELECTRICAL SOCKET

11

21D-06-11250

HORN

12

01010-50614

BOLT

13

01643-30623

WASHER

14

21D-09-81610

COLLAR

15

21D-09-23160

NUT

16

01643-30823

WASHER

17

21D-06-12300

PUSH-BUTTON

18

21D-06-12270

CATCH

19

01010-50620

BOLT

20

01643-30623

WASHER

Выбрано товаров: 20