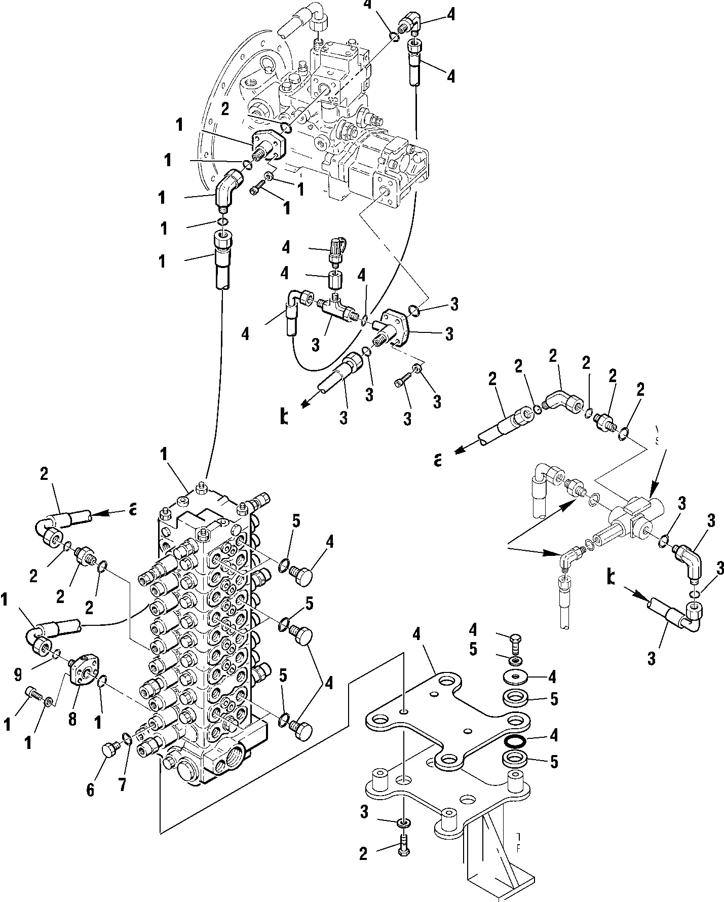
Запчасти Komatsu PW75R-2 ГИДРОЛИНИЯ (ЛИНИЯ ПОДАЧИ) УПРАВЛ-Е РАБОЧИМ ОБОРУДОВАНИЕМ

Схема запчастей Komatsu PW75R-2 - ГИДРОЛИНИЯ (ЛИНИЯ ПОДАЧИ) УПРАВЛ-Е РАБОЧИМ ОБОРУДОВАНИЕМ
45
a
a
b
44
b
A
A
43
20
16
17
19
14
18
15
42
13
41
40
38
43
34
39
25
29
26
27
24
28
35
37
33
36
1
24
31
30
5
4
32
23
21
13
5
22
49
46
50
33
9
5
47
4
51
8
10
11
48
12
51
7
6
3
2
FIT
1:1
100%

Артикул

Название

Примечание

Количество

1

723-2A-10302

CONTROL VALVE, ASSY.

2

01010-51435

BOLT

3

01643-31445

WASHER

4

22E-62-12520

PLUG

5

21D-09-69830

O-RING

6

22E-62-12530

PLUG

7

21D-09-69960

O-RING

8

226-62-11310

FLANGE

9

21D-09-69660

O-RING

10

21D-09-69130

O-RING

11

01252-41030

SCREW

12

21D-09-73700

SPRING WASHER

13

226-09-11230

HOSE

14

226-09-12110

ELBOW

15

21D-09-69660

O-RING

16

226-09-12910

FLANGE

17

21D-09-69660

O-RING

18

01252-41060

SCREW

19

21D-09-73700

SPRING WASHER

20

21D-09-69130

O-RING

21

226-62-11330

UNION

22

21D-09-69220

O-RING

23

21D-09-69660

O-RING

24

226-09-11420

HOSE

25

226-09-12410

UNION

26

21D-09-69660

O-RING

27

226-09-12620

UNION

28

21D-09-69970

O-RING

29

21D-09-69660

O-RING

30

226-09-12130

ELBOW

31

21D-09-69970

O-RING

32

21D-09-69660

O-RING

33

226-09-11340

HOSE

34

226-62-11320

FLANGE

35

21D-09-69660

O-RING

36

01252-40835

SCREW

37

01643-30823

WASHER

38

21D-09-69120

O-RING

39

21D-09-58340

TEE

40

21D-09-69960

O-RING

41

21D-09-59130

REDUCTION

42

21D-09-54900

PRESSURE TAKE-UP

43

21D-09-92250

HOSE

44

22E-09-11610

ELBOW

45

21D-09-69960

O-RING

46

22E-62-13310

SUPPORT

47

566-35-42430

WASHER

48

21D-09-69120

O-RING

49

01010-51230

BOLT

50

01643-31232

WASHER

51

203-62-42770

DAMPER

Выбрано товаров: 51