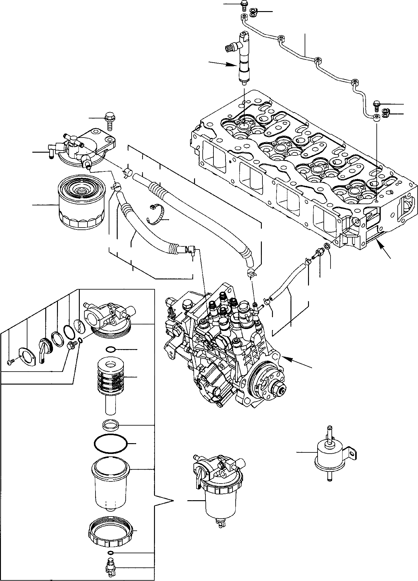
Запчасти Komatsu PW75R-2 ТОПЛИВН. ЛИНИЯ ДВИГАТЕЛЬ

Схема запчастей Komatsu PW75R-2 - ТОПЛИВН. ЛИНИЯ ДВИГАТЕЛЬ
13
14
12
13
14
3
1
5
7
4
6
2
26
5
9
11
10
9
19
8
18
16
16
15
25
22
24
20
21
23
A
B
C
FIT
1:1
100%

Артикул

Название

Примечание

Количество

\0

22E-01-11400

ENGINE, ASSY.

\0

22E-01-11401

ENGINE, ASSY.

1

YM129004-55612

COVER

2

YM119802-55801

FILTER

3

YM26106-080302

BOLT

4

YM129457-59010

PIPE, ASSY.

5

YM124766-59050

CLAMP

6

YM129957-59120

PROTECTION

7

YM105025-59750

PIPE

8

YM129981-59010

PIPE, ASSY.

9

YM124766-59050

CLAMP

10

YM129950-59221

PIPE

11

YM129980-59510

PIPE

12

YM129907-59140

PIPE, ASSY.

13

YM123907-59540

BOLT

14

YM123907-59550

GASKET

15

YM129486-59551

PIPE, ASSY.

16

YM124722-59050

CLAMP

18

YM123907-59560

PIPE

19

YM22190-080002

GASKET

20

YM129612-52100

FUEL FEED PUMP, ASSY.

21

YM119802-55700

FILTER, ASSY.

22

YM119802-55710

CARTRIDGE

23

YM129100-55690

RING, NUT

24

YM24321-000650

O-RING

25

YM24311-000160

O-RING

26

YM121750-59890

COLLAR

Выбрано товаров: 27