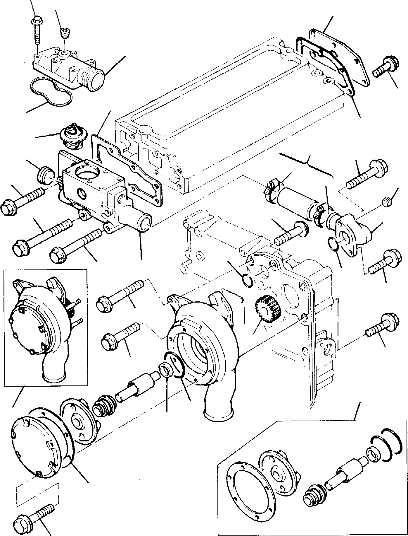
Запчасти Komatsu PW95-1 ВОДЯНАЯ ПОМПА - ТЕРМОСТАТ И ПОДОГРЕВ EXCПОДВЕСН. КРОНШТЕЙН ГОЛОВКА ЦИЛИНДРОВ

Схема запчастей Komatsu PW95-1 - ВОДЯНАЯ ПОМПА - ТЕРМОСТАТ И ПОДОГРЕВ EXCПОДВЕСН. КРОНШТЕЙН ГОЛОВКА ЦИЛИНДРОВ
43
42
20
12
39
23
13
21
28
35
32
24
36
27
36
30
26
17
29
15
22
25
31
33
16
5
40
18
19
6
1
7
10
11
FIT
1:1
100%

Артикул

Название

Примечание

Количество

1

6810-61-1100

WATER PUMP, ASSY.

5

6810-61-1110

GEAR, WATER PUMP

6

6810-61-1120

SEAL, OIL

7

6810-61-1130

SEAL, OIL

10

6810-61-1140

GASKET

11

6810-61-1150

SCREW

12

6810-11-6210

UNION

13

6810-11-6220

GASKET

15

6810-61-1160

O-RING

16

6810-61-1170

SCREW

17

6810-71-5150

SCREW

18

6810-71-5150

SCREW

19

6810-61-1180

KIT, REPAIR

20

6810-61-1190

PLATE

21

6810-61-1210

GASKET

22

6810-11-6110

THERMOSTAT HOUSING

23

6810-11-6120

GASKET

24

6810-11-1140

PLUG

25

6810-11-6130

SCREW

26

6810-61-1170

SCREW

27

6810-51-6130

SCREW

28

6810-11-6140

THERMOSTAT

29

6810-11-6150

CONNECTION

30

6810-11-1140

PLUG

31

6810-11-6280

GASKET

32

6810-21-3180

BOLT

33

6810-21-3180

BOLT

35

6810-11-6170

KIT, HOSE

36

6810-11-6180

HOSE-CLAMP

39

6810-21-6130

SCREW

40

6810-11-6190

SCREW

42

6810-11-6230

PLUG

43

6810-11-6240

SCREW

Выбрано товаров: 33