Качественные детали и логистика
Оригинальные и аналоговые запчасти с доставкой по России, Казахстану и Беларуси
©2022 PartSell ООО "Система" ИНН 2463123282 ОГРН 1212400004838
Центральный офис: г. Красноярск, Академика Киренского, д.87, пом.4
Телефон: 8 (800) 777-65-74 Email: zakaz@partsell.ru
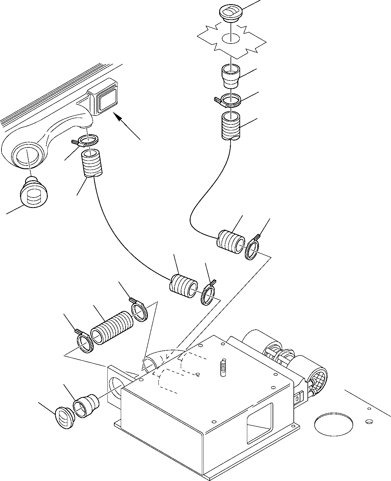
СИСТЕМА ПОДОГРЕВА (/)
№
Артикул
Название
Примечание
Количество
1
22E-977-1140
DIFFUSER
2
22E-977-1150
REDUCTION
3
22E-977-1120
HOSE
4
21D-09-81460
HOSE-CLAMP
5
226-977-1210
6
21D-06-12360
7
21D-977-1110
STUB
8
226-977-1220
Выбрано товаров: 0