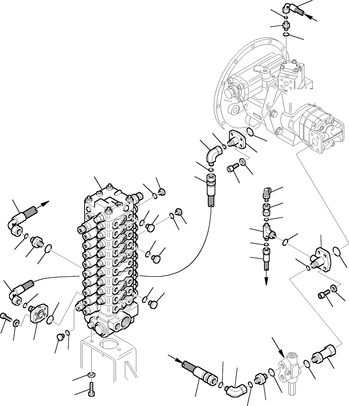
Запчасти Komatsu PW95R-2 ГИДРОЛИНИЯ (ЛИНИЯ ПОДАЧИ) УПРАВЛ-Е РАБОЧИМ ОБОРУДОВАНИЕМ

Схема запчастей Komatsu PW95R-2 - ГИДРОЛИНИЯ (ЛИНИЯ ПОДАЧИ) УПРАВЛ-Е РАБОЧИМ ОБОРУДОВАНИЕМ
23
22
b
b
a
a
20
A
21
17
14
18
16
15
1
6
13
12
7
28
19
41
27
5
4
26
24
6
25
29
7
5
26
4
44
23
30
42
43
31
13
5
4
10
9
33
32
11
8
12
7
40
6
39
34
3
35
2
37
41
36
38
FIT
1:1
100%

Артикул

Название

Примечание

Количество

1

723-2A-11700

CONTROL VALVE, ASSY.

2

01010-51435

BOLT

3

01643-31445

WASHER

4

22E-62-12520

PLUG

5

21D-09-67950

O-RING

6

22E-62-12530

PLUG

7

21D-09-69960

O-RING

8

226-62-11310

FLANGE

9

21D-09-69130

O-RING

10

21D-09-69660

O-RING

11

01252-41030

SCREW

12

21D-09-73700

SPRING WASHER

13

226-09-11410

HOSE

14

226-09-12110

ELBOW

15

21D-09-69660

O-RING

16

226-09-12910

FLANGE

17

21D-09-69660

O-RING

18

21D-09-69130

O-RING

19

01252-41060

SCREW

20

226-09-12210

UNION

21

21D-09-69960

O-RING

22

226-09-13110

O-RING

23

226-09-11510

HOSE

24

226-09-12310

TEE

25

21D-09-69960

O-RING

26

226-09-13110

O-RING

27

226-09-12810

UNION

28

21D-09-54900

PRESSURE TAKE-UP

29

226-62-11320

FLANGE

30

21D-09-69660

O-RING

31

21D-09-69120

O-RING

32

01252-40835

SCREW

33

01643-30823

SPRING WASHER

34

22E-62-11390

UNION

35

21D-09-69660

O-RING

36

226-09-12620

UNION

37

21D-09-69970

O-RING

38

21D-09-69660

O-RING

39

226-09-12110

ELBOW

40

21D-09-69660

O-RING

41

226-09-11420

HOSE

42

226-62-11330

UNION

43

21D-09-69220

O-RING

44

21D-09-69660

O-RING

Выбрано товаров: 44