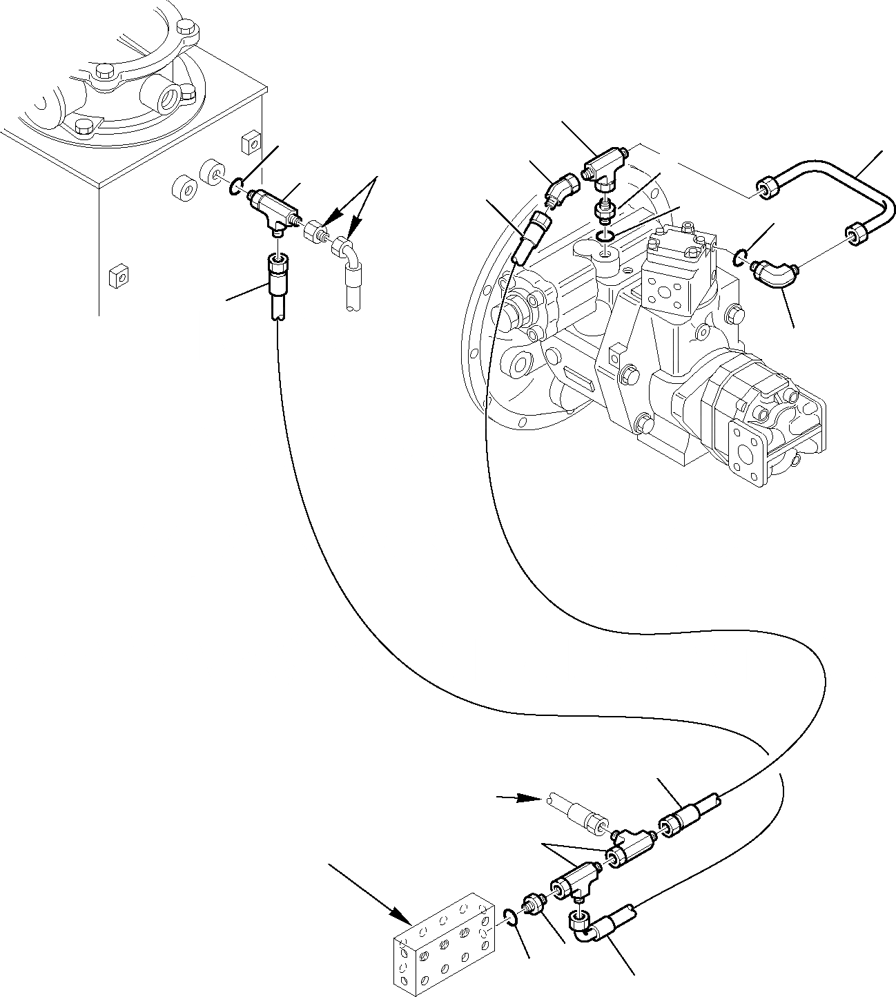
Запчасти Komatsu PW95R-2 ГИДРОЛИНИЯ (PPC ТРУБЫ) (/) УПРАВЛ-Е РАБОЧИМ ОБОРУДОВАНИЕМ

Схема запчастей Komatsu PW95R-2 - ГИДРОЛИНИЯ (PPC ТРУБЫ) (/) УПРАВЛ-Е РАБОЧИМ ОБОРУДОВАНИЕМ
A
B
C
4
14
7
3
13
5
8
6
2
12
1
8
9
10
11
12
FIT
1:1
100%

Артикул

Название

Примечание

Количество

1

22E-09-11610

ELBOW

2

21D-09-69960

O-RING

3

226-62-11410

PIPE

4

226-62-11420

TEE

5

22E-62-11910

UNION

6

21D-09-69220

O-RING

7

21D-09-52750

UNION

8

21D-09-98780

HOSE

9

21D-09-52550

TEE

10

21D-09-51280

UNION

11

21D-09-69910

O-RING

12

226-09-11820

HOSE

13

21D-09-58460

TEE

14

21D-09-69970

O-RING

Выбрано товаров: 0