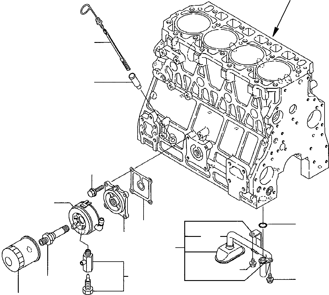
Запчасти Komatsu PW95R-2 СИСТЕМА СМАЗКИ МАСЛ. СИСТЕМА (/) ДВИГАТЕЛЬ
A
6
7
5
1
14
3
2
9
15
17
16
4
8
FIT
1:1
100%
№
Артикул
Название
Примечание
Количество
\0
21D-01-00020
ENGINE, ASSY.
1
YM123912-33011
EXCHANGER
2
YM123912-33040
SUPPORT
3
YM123900-33060
GASKET
4
YM123912-33100
BOLT
5
YM26106-080202
BOLT
6
YM123900-34800
GAUGE, OIL LEVEL
7
YM121520-34810
GUIDE
8
YM119005-35100
FILTER
9
YM123900-35000
PIPE
14
YM24314-000180
O-RING
15
YM26106-080122
BOLT PLATED
16
YM26106-080162
BOLT
17
YM119620-49290
COCK
Выбрано товаров: 14