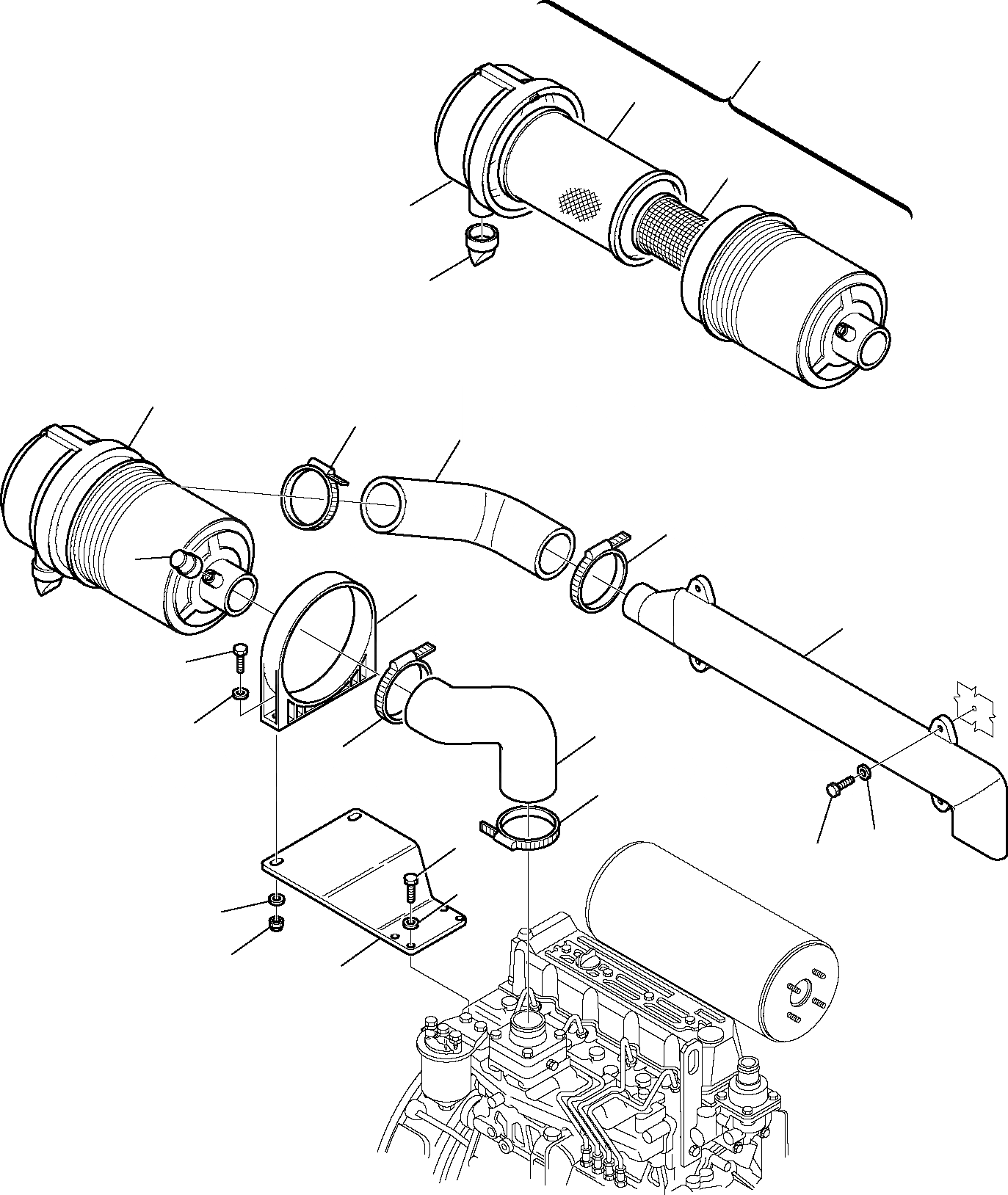
Запчасти Komatsu PW95R-2 ВОЗДУХООЧИСТИТЕЛЬ И КРЕПЛЕНИЕ КОМПОНЕНТЫ ДВИГАТЕЛЯ И ЭЛЕКТРИКА

Схема запчастей Komatsu PW95R-2 - ВОЗДУХООЧИСТИТЕЛЬ И КРЕПЛЕНИЕ КОМПОНЕНТЫ ДВИГАТЕЛЯ И ЭЛЕКТРИКА
4
6
7
8
5
4
15
14
15
9
10
16
11
13
18
15
19
3
2
17
3
13
12
1
FIT
1:1
100%

Артикул

Название

Примечание

Количество

1

21D-02-11220

SUPPORT

2

01010-51025

BOLT

3

01643-31032

WASHER

4

226-02-11101

AIR FILTER, ASSY.

5

226-02-11151

VALVE

6

226-02-11111

CARTRIDGE

7

226-02-11121

CARTRIDGE, SAFETY

8

226-02-11141

COVER

9

21D-06-13120

CLOGGING INDICATOR

10

21D-02-11230

COLLAR

11

01016-50840

BOLT

12

21D-09-24180

NUT

13

01643-30823

SPRING WASHER

14

21D-02-11240

SLEEVE

15

21D-09-81500

HOSE-CLAMP

16

226-02-11321

PIPE

17

01016-51040

BOLT

18

21D-02-11250

SLEEVE

19

21D-09-81940

HOSE-CLAMP

Выбрано товаров: 19