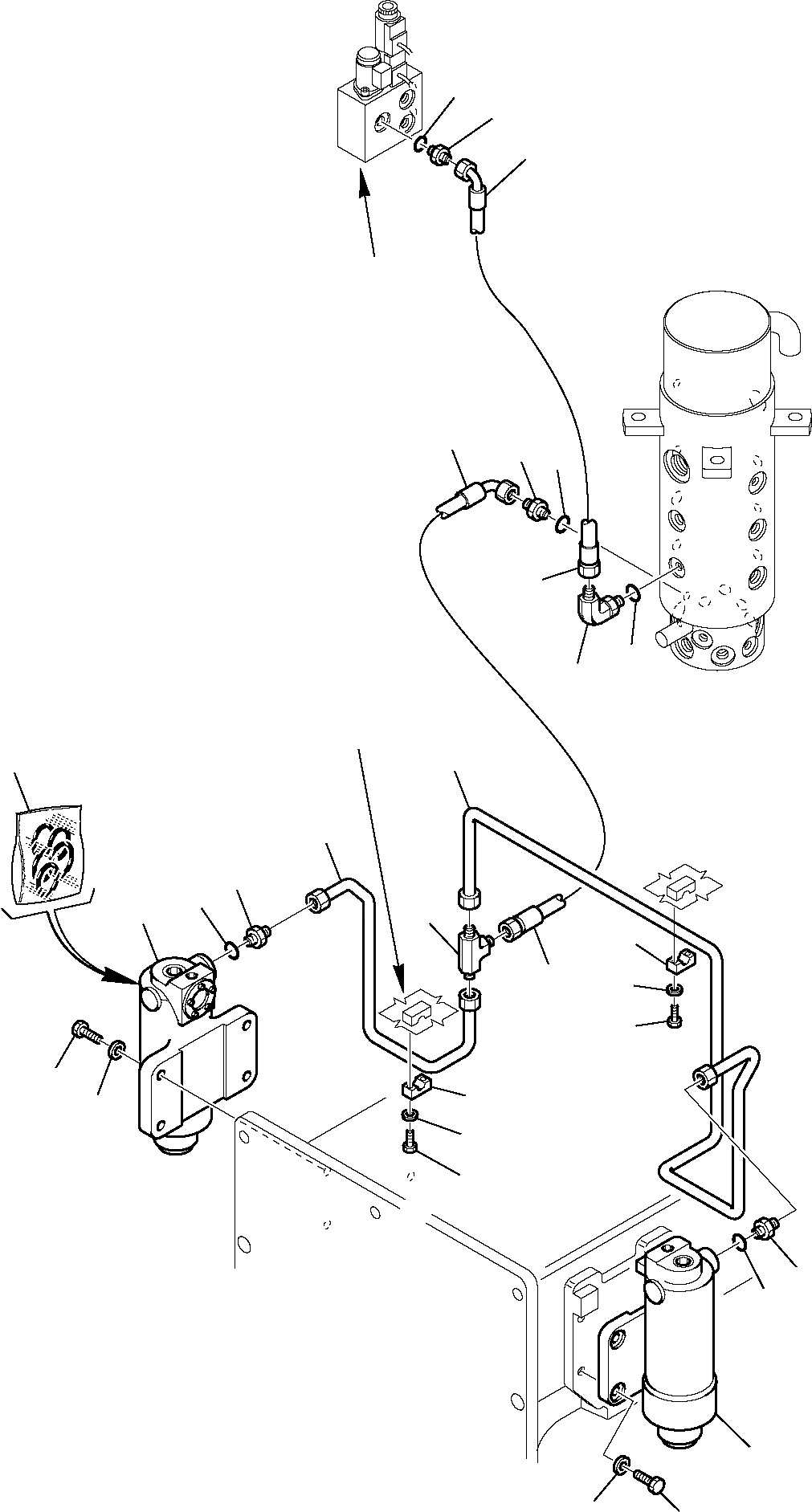
Запчасти Komatsu PW95R-2 ГИДРОЛИНИЯ ПОДВЕСКА БЛОКИР. ЛИНИЯ ЦИЛИНДРА ХОДОВАЯ

Схема запчастей Komatsu PW95R-2 - ГИДРОЛИНИЯ ПОДВЕСКА БЛОКИР. ЛИНИЯ ЦИЛИНДРА ХОДОВАЯ
2
1
3
8
6
7
3
5
4
14
18
10
15
16
17
9
11
13
8
12
19
11
20
13
12
15
16
17
20
19
A
FIT
1:1
100%

Артикул

Название

Примечание

Количество

1

21D-09-51190

UNION

2

21D-09-69910

O-RING

3

22E-09-12160

HOSE

4

21D-09-51620

ELBOW

5

21D-09-69960

O-RING

6

21D-09-51180

UNION

7

21D-09-69960

O-RING

8

22E-09-12140

HOSE

9

21D-09-57440

TEE

10

21D-62-13460

PIPE

11

21D-09-68150

CLAMP

12

01435-00830

BOLT

13

01643-30823

SPRING WASHER

14

21D-62-13470

PIPE

15

21D-09-54510

UNION

16

21D-09-69890

O-RING

17

226-61-11900

LOCK AXLE CYLINDER

18

226-61-11910

KIT, GASKET

19

01010-51645

BOLT

20

21D-09-72430

WASHER

Выбрано товаров: 20