Качественные детали и логистика
Оригинальные и аналоговые запчасти с доставкой по России, Казахстану и Беларуси
©2022 PartSell ООО "Система" ИНН 2463123282 ОГРН 1212400004838
Центральный офис: г. Красноярск, Академика Киренского, д.87, пом.4
Телефон: 8 (800) 777-65-74 Email: zakaz@partsell.ru
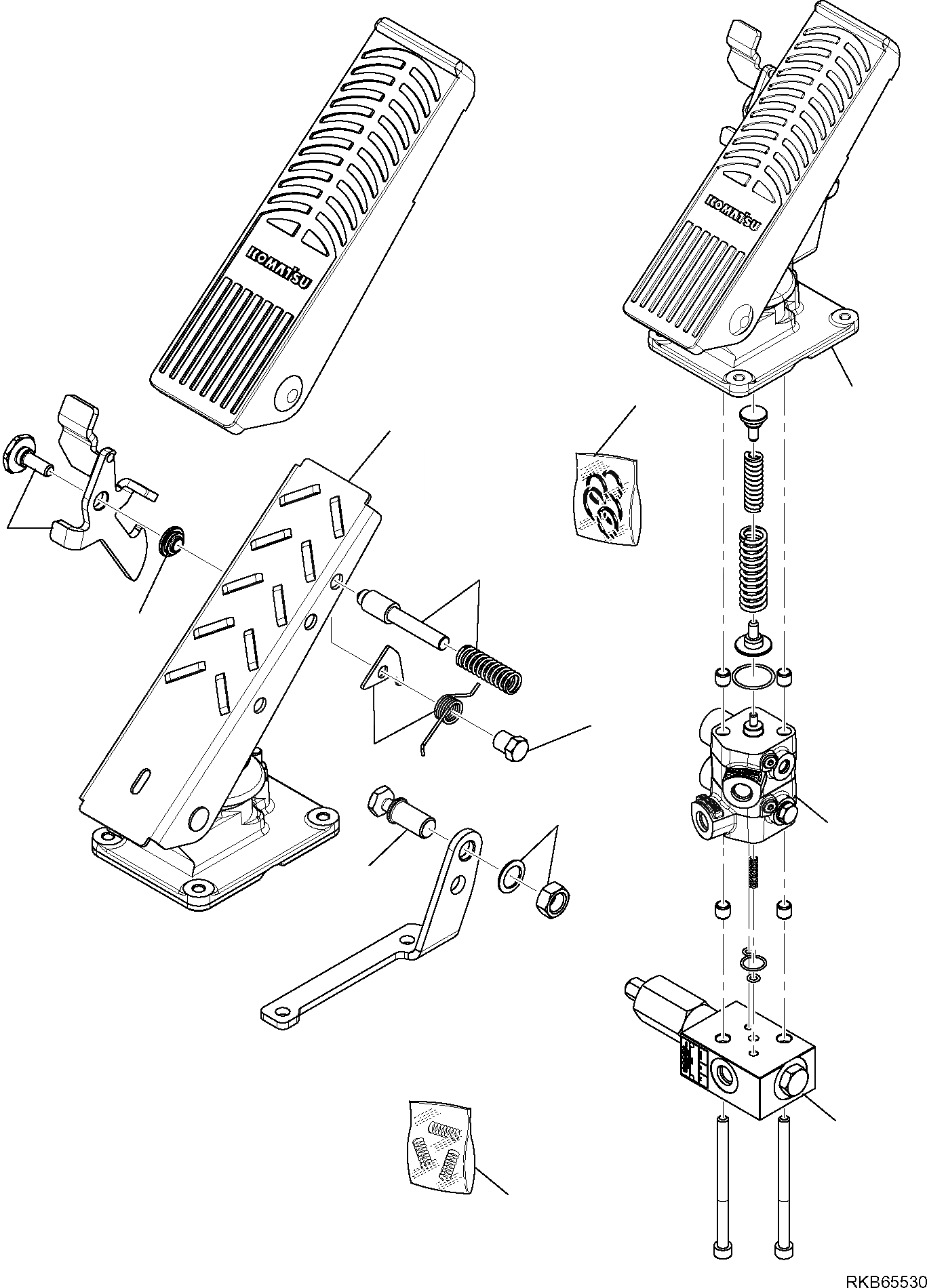
ПЕДАЛЬ ТОРМОЗА
№
Артикул
Название
Примечание
Количество
\0
21W-33-R1100
BRAKE PEDAL, ASSEMBLY
1
21W-09-R4950
PEDAL, ASSEMBLY
2
21W-09-R4990
KIT, DOCKING
3
21D-44-11280
PROTECTION
4
21D-44-11251
BRAKING MODULE
5
21W-09-R4960
VALVE, ASSEMBLY
6
21W-09-R4980
KIT, SPRING
7
21W-09-R4970
KIT, GASKET
Выбрано товаров: 0