Запчасти Komatsu GD200A-1 ЭЛЕКТРИКА¤ ПЕРЕДН. КОМПОНЕНТЫ ДВИГАТЕЛЯ И ЭЛЕКТРИКА

Схема запчастей Komatsu GD200A-1 - ЭЛЕКТРИКА¤ ПЕРЕДН. КОМПОНЕНТЫ ДВИГАТЕЛЯ И ЭЛЕКТРИКА
FIT
1:1
100%

Артикул

Название

Примечание

Количество

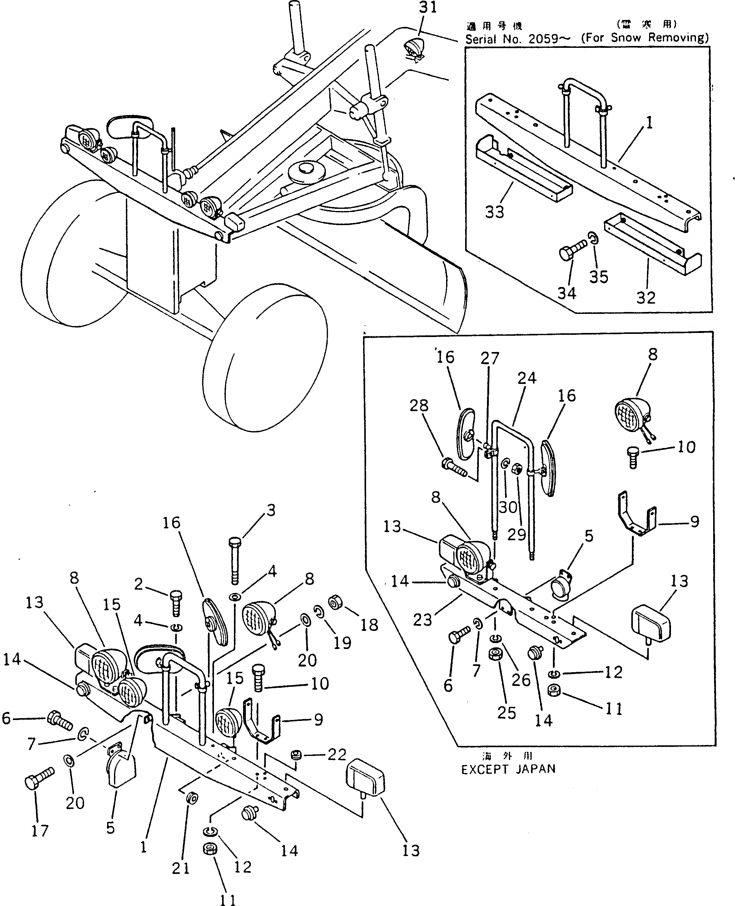
1

237-06-14240

BRACKET,(FOR JAPAN)

SN: 2001-UP

1шт.

2

01010-31025

BOLT

SN: 2001-UP

2шт.

3

01010-31085

BOLT

SN: 2001-UP

2шт.

4

01640-21016

WASHER

SN: 2001-UP

4шт.

5

08160-42400

HORN

SN: .-UP

1шт.

5

0

HORN

SN: 2001-.

1шт.

6

01010-30816

BOLT

SN: 2001-UP

2шт.

7

01602-00825

WASHER,SPRING

SN: 2001-UP

2шт.

8

08121-22400

LAMP,HEAD

SN: 2001-UP

2шт.

8

08100-02460

BULB, 60/60W

SN: 2001-UP

1шт.

8

08121-20005

LENS

SN: 2001-UP

1шт.

9

232-06-15520

BRACKET

SN: 2001-UP

2шт.

10

01010-31025

BOLT

SN: 2001-UP

4шт.

11

01580-01008

NUT

SN: 2001-UP

4шт.

12

01602-01030

WASHER,SPRING

SN: 2001-UP

4шт.

13

236-06-25290

COMBINATION LAMP A.,COMBINATION, L.H.

SN: 2001-UP

1шт.

13

236-06-25280

COMBINATION LAMP A.,COMBINATION, R.H.

SN: 2001-UP

1шт.

13

08105-12420

BULB, 25W

SN: 2001-UP

1шт.

13

08110-12410

BULB, 12W

SN: 2001-UP

1шт.

14

08139-02400

LAMP,PARKING

SN: 2001-UP

2шт.

14

08111-02430

BULB, 3W

SN: 2001-UP

1шт.

15

08125-02410

LAMP ASS'Y,FOG

SN: 2001-UP

2шт.

16

08174-10001

MIRROR,REAR VIEW

SN: 2001-UP

2шт.

17

01010-30825

BOLT

SN: 2001-UP

2шт.

18

01580-00806

NUT

SN: 2001-UP

2шт.

19

01602-00825

WASHER,SPRING

SN: 2001-UP

2шт.

20

01643-30823

WASHER

SN: 2001-UP

4шт.

21

08037-01008

GROMMET

SN: 2001-UP

2шт.

22

08037-02512

GROMMET

SN: 2001-UP

2шт.

23

232-903-1411

BRACKET,(EXCEPT JAPAN)

SN: 2001-UP

1шт.

24

232-903-1420

STAY

SN: 2001-UP

1шт.

25

01580-01210

NUT

SN: 2001-UP

2шт.

26

01602-01236

WASHER,SPRING

SN: 2001-UP

2шт.

27

232-06-15151

PIVOT

SN: 2001-UP

2шт.

28

01010-30825

BOLT

SN: 2001-UP

2шт.

29

01580-00806

NUT

SN: 2001-UP

2шт.

30

01602-00825

WASHER,SPRING

SN: 2001-UP

2шт.

31

232-06-51980

LAMP ASS'Y

SN: 2001-UP

2шт.

32

237-806-8310

COVER,L.H. (FOR SNOW REMOVING)

SN: 2059-UP

1шт.

33

237-806-8320

COVER,R.H. (FOR SNOW REMOVING)

SN: 2059-UP

1шт.

34

01010-50810

BOLT,(FOR SNOW REMOVING)

SN: 2059-UP

8шт.

35

01602-20825

WASHER,SPRING (FOR SNOW REMOVING)

SN: 2059-UP

8шт.

Выбрано товаров: 42