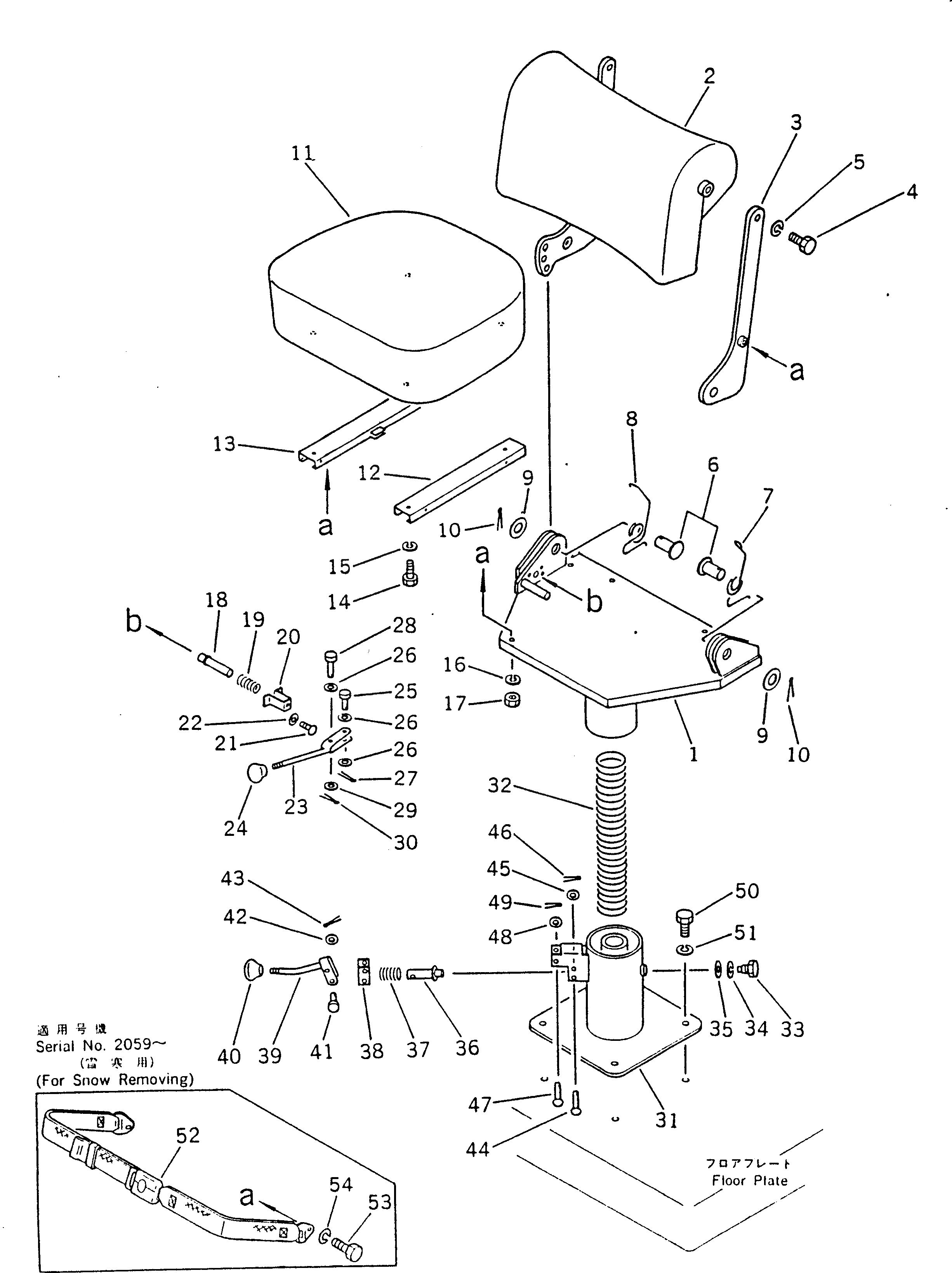
Запчасти Komatsu GD200A-1 СИДЕНЬЕ ОПЕРАТОРА РАМА И ЧАСТИ КОРПУСА

Схема запчастей Komatsu GD200A-1 - СИДЕНЬЕ ОПЕРАТОРА РАМА И ЧАСТИ КОРПУСА
FIT
1:1
100%

Артикул

Название

Примечание

Количество

|1

232-57-00012

SEAT ASS'Y

SN: 2001-UP

1шт.

1

232-57-51111

BASE

SN: 2001-UP

1шт.

2

236-54-22661

CUSHION

SN: 2001-UP

1шт.

3

232-57-51120

BRACKET

SN: 2001-UP

1шт.

4

01010-31230

BOLT

SN: 2001-UP

2шт.

5

01602-01236

WASHER,SPRING

SN: 2001-UP

2шт.

6

236-54-22610

PIN

SN: 2001-UP

2шт.

7

236-54-22480

SPRING

SN: 2001-UP

1шт.

8

236-54-22490

SPRING

SN: 2001-UP

1шт.

9

01640-22540

WASHER

SN: 2001-UP

2шт.

10

04050-15035

PIN,COTTER

SN: 2001-UP

2шт.

11

237-54-14152

CUSHION

SN: 2001-UP

1шт.

12

236-54-22331

ADJUSTER ASS'Y

SN: 2001-UP

1шт.

13

236-54-22351

ADJUSTER ASS'Y

SN: 2001-UP

1шт.

14

01220-40840

SCREW

SN: 2001-UP

4шт.

15

01602-00825

WASHER,SPRING

SN: 2001-UP

4шт.

16

01602-00825

WASHER,SPRING

SN: 2001-UP

4шт.

17

01580-00806

NUT

SN: 2001-UP

4шт.

18

236-54-22430

PIN

SN: 2001-UP

1шт.

19

236-54-22470

SPRING

SN: 2001-UP

1шт.

20

236-54-22420

PLATE

SN: 2001-UP

1шт.

21

01220-40408

SCREW

SN: 2001-UP

4шт.

22

01601-00410

WASHER,SPRING

SN: 2001-UP

4шт.

23

232-57-51150

LEVER

SN: 2001-UP

1шт.

24

09304-00835

KNOB

SN: 2001-UP

1шт.

25

04205-10630

PIN

SN: 2001-UP

1шт.

26

01641-20608

WASHER

SN: 2001-UP

2шт.

27

04050-11610

PIN,COTTER

SN: 2001-UP

1шт.

28

04205-10830

PIN

SN: 2001-UP

1шт.

29

01641-20812

WASHER

SN: 2001-UP

2шт.

30

04050-12012

PIN,COTTER

SN: 2001-UP

1шт.

31

232-57-51170

STAND

SN: 2001-UP

1шт.

32

236-54-22590

SPRING

SN: 2001-UP

1шт.

33

236-54-22580

BOLT

SN: 2001-UP

1шт.

34

01602-01648

WASHER,SPRING

SN: 2001-UP

1шт.

35

01640-21626

WASHER

SN: 2001-UP

1шт.

36

236-54-22520

PIN

SN: 2001-UP

1шт.

37

236-54-22530

SPRING

SN: 2001-UP

1шт.

38

236-54-22560

PLATE

SN: 2001-UP

1шт.

39

236-54-22540

LEVER

SN: 2001-UP

1шт.

40

09304-00835

KNOB

SN: 2001-UP

1шт.

41

04205-10630

PIN

SN: 2001-UP

1шт.

42

01641-20608

WASHER

SN: 2001-UP

2шт.

43

04050-11610

PIN

SN: 2001-UP

1шт.

44

236-54-22570

PIN

SN: 2001-UP

2шт.

45

01641-20508

WASHER

SN: 2001-UP

4шт.

46

04050-12012

PIN,COTTER

SN: 2001-UP

2шт.

47

236-54-22550

PIN

SN: 2001-UP

1шт.

48

01641-20812

WASHER

SN: 2001-UP

2шт.

49

04050-12012

PIN,COTTER

SN: 2001-UP

1шт.

50

01010-31225

BOLT

SN: 2001-UP

8шт.

51

01602-01236

WASHER,SPRING

SN: 2001-UP

8шт.

52

236-54-29210

BELT,(FOR SNOW REMOVING)

SN: 2059-UP

1шт.

53

01010-51035

BOLT,(FOR SNOW REMOVING)

SN: 2059-UP

2шт.

54

01643-31032

WASHER,(FOR SNOW REMOVING)

SN: 2059-UP

2шт.

Выбрано товаров: 55