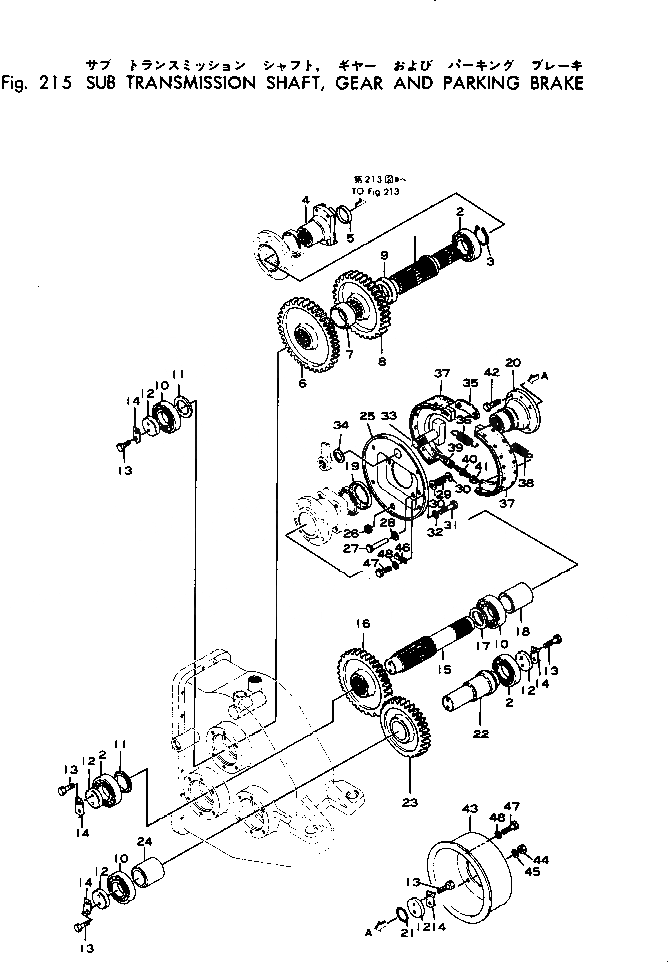
Запчасти Komatsu GD22AC-1A SUB ТРАНСМИССИЯ ВАЛ¤ ПРИВОД И СТОЯНОЧНЫЙ ТОРМОЗ ОСНОВН. МУФТА¤ ТРАНСМИССИЯ¤ ВЕДУЩ. ВАЛ И КОНЕЧНАЯ ПЕРЕДАЧА

Схема запчастей Komatsu GD22AC-1A - SUB ТРАНСМИССИЯ ВАЛ¤ ПРИВОД И СТОЯНОЧНЫЙ ТОРМОЗ ОСНОВН. МУФТА¤ ТРАНСМИССИЯ¤ ВЕДУЩ. ВАЛ И КОНЕЧНАЯ ПЕРЕДАЧА
FIT
1:1
100%

Артикул

Название

Примечание

Количество

1

236-14-12311

SHAFT

SN: 1634-UP

1шт.

|1

236-14-12310

SHAFT

SN: 1501-1633

1шт.

2

06041-00209

BEARING

SN: 1501-UP

3шт.

3

04064-04518

RING

SN: 1501-UP

1шт.

4

236-14-12410

COUPLING

SN: 1501-UP

1шт.

|4

0

COUPLING

SN: 1500-1500

1шт.

5

236-14-12420

COVER

SN: 1500-1500

1шт.

6

236-14-12350

GEAR

SN: 1501-UP

1шт.

7

236-14-12360

COLLAR

SN: 1501-UP

1шт.

8

236-14-12371

GEAR

SN: 1634-UP

1шт.

|8

236-14-12370

GEAR

SN: 1501-1633

1шт.

9

236-14-12390

COLLAR

SN: 1501-UP

1шт.

10

06040-06209

BEARING

SN: 1501-UP

3шт.

11

236-14-12330

SPACER

SN: 1501-UP

2шт.

12

04080-04008

HOLDER

SN: 1501-UP

5шт.

13

01010-31025

BOLT

SN: 1501-UP

10шт.

14

04081-04012

LOCK (KIT)

SN: 1501-UP

5шт.

15

236-14-12430

SHAFT

SN: 1501-UP

1шт.

16

236-14-12450

GEAR

SN: 1501-UP

1шт.

17

236-14-12341

SPACER

SN: 1501-UP

1шт.

|17

236-14-12340

SPACER

SN: 1500-1500

1шт.

18

236-14-12462

COLLAR

SN: 1501-UP

1шт.

|18

236-14-12461

COLLAR

SN: 1500-1500

1шт.

19

236-14-12470

COVER

SN: 1501-UP

1шт.

20

236-22-23190

FLANGE

SN: 1501-UP

1шт.

21

02893-05037

O-RING (KIT)

SN: 1501-UP

1шт.

22

236-14-12511

SHAFT

SN: 1501-UP

1шт.

23

236-14-12551

GEAR

SN: 1501-UP

1шт.

24

236-14-12530

COLLAR

SN: 1501-UP

1шт.

25

IJ9462130180

PLATE

SN: 1501-UP

1шт.

26

IJ9462390070

GROMMET

SN: 1501-UP

2шт.

27

IJ9462390040

PIN

SN: 1501-UP

2шт.

28

IJ9462390060

WASHER

SN: 1501-UP

2шт.

29

IJ9099411860

SPRING

SN: 1501-UP

2шт.

30

IJ9462390050

SEAT

SN: 1501-UP

4шт.

31

IJ9923514320

BOLT

SN: 1501-UP

4шт.

32

IJ9091505140

WASHER

SN: 1501-UP

4шт.

33

IJ9462510760

SHAFT

SN: 1501-UP

1шт.

34

IJ9098553670

WASHER

SN: 1501-UP

1шт.

35

IJ9462390030

BRACE

SN: 1501-UP

1шт.

36

IJ9099425670

SPRING

SN: 1501-UP

2шт.

37

IJ9462200160

BRAKE SHOE ASS'Y

SN: 1501-UP

2шт.

|37

IJ9462250120

LINING

SN: 1501-UP

1шт.

|37

IJ9098710330

RIVET

SN: 1501-UP

10шт.

38

IJ9099425660

SPRING

SN: 1501-UP

1шт.

|39

IJ9462400080

ADJUST SCREW ASS'Y

SN: 1501-UP

1шт.

39

IJ9463490110

NUT

SN: 1501-UP

1шт.

40

IJ9462410170

SCREW

SN: 1501-UP

1шт.

41

IJ9452490100

NUT

SN: 1501-UP

1шт.

42

IJ9098065520

BOLT

SN: 1501-UP

4шт.

43

IJ9462110490

DRUM

SN: 1501-UP

1шт.

44

236-14-11140

NUT

SN: 1501-UP

4шт.

45

01602-21236

WASHER

SN: 1501-UP

4шт.

46

IJ9462190150

COVER

SN: 1501-UP

1шт.

47

IJ9020408200

BOLT

SN: 1501-UP

2шт.

48

IJ9091505080

WASHER

SN: 1501-UP

2шт.

Выбрано товаров: 56