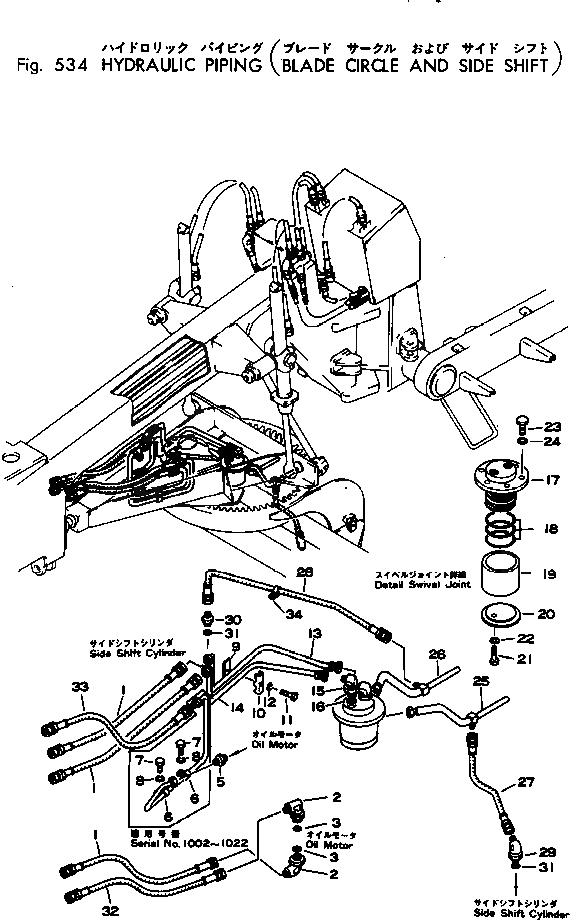
Запчасти Komatsu GD22AC-1A ГИДРОЛИНИЯ (ОТВАЛ CIRCLE И БОКОВ. СДВИГ) РАБОЧЕЕ ОБОРУДОВАНИЕ И ITS СИСТЕМА УПРАВЛЕНИЯ

Схема запчастей Komatsu GD22AC-1A - ГИДРОЛИНИЯ (ОТВАЛ CIRCLE И БОКОВ. СДВИГ) РАБОЧЕЕ ОБОРУДОВАНИЕ И ITS СИСТЕМА УПРАВЛЕНИЯ
FIT
1:1
100%

Артикул

Название

Примечание

Количество

1

07109-20307

HOSE

SN: 1501-UP

3шт.

|1

07108-20307

HOSE

SN: 1500-1500

3шт.

|1

07109-20307

HOSE

SN: 1500-1500

3шт.

2

236-60-24450

ELBOW

SN: 1501-UP

2шт.

3

07002-12434

O-RING (KIT)

SN: 1501-UP

2шт.

|3

0

O-RING

SN: 1500-1500

2шт.

4

236-60-24420

TUBE

SN: 1500-1500

1шт.

5

236-60-24441

NIPPLE

SN: 1501-UP

1шт.

|5

07213-51013

CONNECTOR

SN: 1500-1500

1шт.

6

236-60-24480

CLIP

SN: 1500-1500

2шт.

7

01010-31016

BOLT

SN: 1500-1500

2шт.

8

01602-01030

WASHER

SN: 1500-1500

2шт.

9

236-60-24460

PLATE

SN: 1501-UP

1шт.

10

232-60-14932

CLIP

SN: 1501-UP

1шт.

11

01010-51035

BOLT

SN: 1501-UP

1шт.

12

01602-21030

WASHER

SN: 1501-UP

1шт.

13

236-60-24290

TUBE

SN: 1501-UP

1шт.

14

236-60-24310

TUBE

SN: 1501-UP

1шт.

15

236-60-24450

ELBOW

SN: 1501-UP

2шт.

16

07002-12434

O-RING (KIT)

SN: 1501-UP

2шт.

|16

0

O-RING

SN: 1500-1500

2шт.

17

232-60-14614

FLANGE

SN: 1501-UP

1шт.

18

07000-15075

O-RING (KIT)

SN: 1501-UP

3шт.

19

232-60-14622

BODY

SN: 1501-UP

1шт.

20

232-60-14633

FLANGE

SN: 1501-UP

1шт.

21

01010-51030

BOLT

SN: 1501-UP

3шт.

22

01602-21030

WASHER

SN: 1501-UP

3шт.

23

01010-51235

BOLT

SN: 1501-UP

6шт.

24

01602-21236

WASHER

SN: 1501-UP

6шт.

25

236-60-24271

TUBE

SN: 1501-UP

1шт.

|25

236-60-24270

TUBE

SN: 1500-1500

1шт.

|25

236-60-24271

TUBE

SN: 1500-1500

1шт.

|25

236-60-24270

TUBE

SN: 1500-1500

1шт.

26

236-60-24281

TUBE

SN: 1501-UP

1шт.

|26

236-60-24280

TUBE

SN: 1500-1500

1шт.

|26

236-60-24281

TUBE

SN: 1500-1500

1шт.

|26

236-60-24280

TUBE

SN: 1500-1500

1шт.

27

07108-20304

HOSE

SN: 1501-UP

1шт.

|27

0

HOSE

SN: 1500-1500

1шт.

|27

07108-20304

HOSE

SN: 1500-1500

1шт.

|27

0

HOSE

SN: 1500-1500

1шт.

28

07109-20306

HOSE

SN: 1501-UP

1шт.

|28

0

HOSE

SN: 1500-1500

1шт.

|28

07108-20306

HOSE

SN: 1500-1500

1шт.

|28

0

HOSE

SN: 1500-1500

1шт.

29

07235-10315

ELBOW

SN: 1501-UP

1шт.

30

07230-10315

UNION

SN: 1501-UP

1шт.

31

07002-12034

O-RING (KIT)

SN: 1501-UP

2шт.

|31

0

O-RING

SN: 1500-1500

2шт.

32

07109-20306

HOSE

SN: 1501-UP

1шт.

|32

07108-20306

HOSE

SN: 1500-1500

1шт.

33

07109-20305

HOSE

SN: 1501-UP

1шт.

|33

07108-20305

HOSE

SN: 1500-1500

1шт.

34

236-60-24320

CLIP

SN: 1526-UP

1шт.

Выбрано товаров: 54