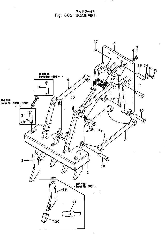
Запчасти Komatsu GD22AC-1A SCARIFIER ОПЦИОННЫЕ КОМПОНЕНТЫ

Схема запчастей Komatsu GD22AC-1A - SCARIFIER ОПЦИОННЫЕ КОМПОНЕНТЫ
FIT
1:1
100%

Артикул

Название

Примечание

Количество

|1

236-70-00010

SCARIFIER ASS'Y

SN: 1501-UP

1шт.

1

236-70-23110

BODY

SN: 1501-UP

1шт.

2

09271-00045

TOOTH

SN: 1501-UP

5шт.

3

232-70-13142

WEDGE

SN: .-UP

5шт.

|3

0

WEDGE

SN: 1501-.

5шт.

4

236-70-23120

BRACKET

SN: 1501-UP

1шт.

5

01010-32080

BOLT

SN: 1501-UP

8шт.

6

01602-02060

WASHER

SN: 1501-UP

8шт.

7

01580-02016

NUT

SN: 1501-UP

8шт.

8

236-70-23130

ARM

SN: 1501-UP

1шт.

9

236-70-23141

ARM

SN: 1501-UP

2шт.

|9

0

ARM

SN: 1500-1500

2шт.

10

236-70-23160

PIN

SN: 1501-UP

4шт.

11

236-70-23170

PIN

SN: 1501-UP

4шт.

12

236-70-23180

PIN

SN: 1501-UP

8шт.

13

236-70-23150

PIN

SN: 1501-UP

2шт.

14

04082-00206

LOCK

SN: 1501-UP

2шт.

15

01010-51225

BOLT

SN: 1501-UP

4шт.

16

01602-21236

WASHER

SN: 1501-UP

4шт.

17

07020-00000

FITTING

SN: 1501-UP

2шт.

18

04050-16050

PIN

SN: 1501-UP

5шт.

19

237-71-51310

SHANK

SN: 1501-UP

5шт.

20

232-71-51320

TOOTH

SN: 1501-UP

5шт.

21

232-71-51330

TOOL

SN: 1501-UP

5шт.

Выбрано товаров: 24