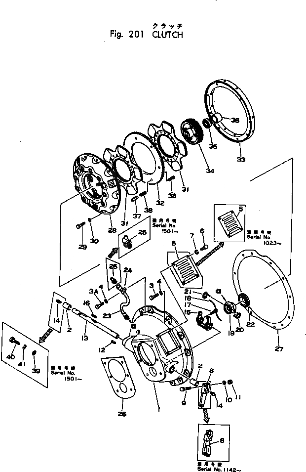
Запчасти Komatsu GD22AC-1A МУФТА ОСНОВН. МУФТА¤ ТРАНСМИССИЯ¤ ВЕДУЩ. ВАЛ И КОНЕЧНАЯ ПЕРЕДАЧА

Схема запчастей Komatsu GD22AC-1A - МУФТА ОСНОВН. МУФТА¤ ТРАНСМИССИЯ¤ ВЕДУЩ. ВАЛ И КОНЕЧНАЯ ПЕРЕДАЧА
FIT
1:1
100%

Артикул

Название

Примечание

Количество

1

237-10-11110

CASE

SN: 1501-UP

1шт.

1

236-10-11313

CASE

SN: 1500-1500

1шт.

1

236-10-11312

CASE

SN: 1500-1500

1шт.

1

0

CASE

SN: 1500-1500

1шт.

1

236-10-11310

CASE

SN: 1500-1500

1шт.

2

237-10-11140

BUSHING

SN: 1501-UP

2шт.

2

09360-02545

BUSHING

SN: 1500-1500

2шт.

3

01010-51030

BOLT

SN: 1501-UP

7шт.

3

01010-51030

BOLT

SN: 1500-1500

12шт.

3A

01010-51035

BOLT

SN: 1501-UP

1шт.

4

01602-21030

WASHER

SN: 1501-UP

8шт.

4

01602-21030

WASHER

SN: 1500-1500

12шт.

5

236-10-11123

COVER

SN: 1501-UP

1шт.

5

236-10-11122

COVER

SN: 1500-1500

1шт.

5

236-10-11121

COVER

SN: 1500-1500

1шт.

6

01010-50816

BOLT

SN: 1501-UP

4шт.

7

01602-20825

WASHER

SN: 1501-UP

4шт.

8

236-10-11181

LEVER

SN: 1501-UP

1шт.

8

236-10-11180

LEVER

SN: 1500-1500

1шт.

9

01010-51040

BOLT

SN: 1501-UP

1шт.

10

01602-21030

WASHER

SN: 1501-UP

1шт.

11

01580-11008

NUT

SN: 1501-UP

1шт.

12

04000-00722

KEY

SN: 1501-UP

1шт.

13

237-10-11131

SHAFT

SN: 1501-UP

1шт.

13

236-10-11130

SHAFT

SN: 1500-1500

1шт.

14

07042-00108

PLUG

SN: 1500-1500

2шт.

15

236-10-11140

FORK

SN: 1501-UP

1шт.

16

04000-00728

KEY

SN: 1501-UP

2шт.

17

01360-10820

SCREW

SN: 1501-UP

1шт.

18

04059-01016

WIRE (KIT)

SN: 1501-UP

1шт.

19

236-10-11150

BLOCK

SN: 1501-UP

1шт.

20

236-10-11160

SPRING

SN: 1501-UP

1шт.

21

236-10-11170

SPRING

SN: 1501-UP

1шт.

22

236-10-11190

BEARING

SN: 1501-UP

1шт.

23

236-10-11240

TUBE

SN: 1501-UP

1шт.

24

07283-21529

CLIP

SN: 1501-UP

1шт.

24

232-04-22130

CLIP

SN: 1500-1500

1шт.

25

07020-00000

FITTING

SN: 1501-UP

1шт.

25

07020-00000

FITTING

SN: 1500-1500

1шт.

26

236-10-11211

GASKET (KIT)

SN: 1501-UP

1шт.

26

236-10-11210

GASKET (KIT)

SN: 1500-1500

1шт.

27

237-10-11120

GASKET (KIT)

SN: 1501-UP

1шт.

27

236-10-11220

GASKET (KIT)

SN: 1500-1500

1шт.

|$43

237-10-12100

PLATE ASS'Y

SN: 1586-UP

1шт.

|$44

0

PLATE ASS'Y

SN: 1501-1585

1шт.

28

236-10-22140

SPRING

SN: 1586-UP

9шт.

28

236-10-12141

SPRING

SN: 1501-1585

9шт.

28

236-10-12140

SPRING

SN: 1500-1500

9шт.

28

236-10-12210

NUT

SN: 1501-UP

3шт.

28

236-10-12220

NUT

SN: 1501-UP

3шт.

28

236-10-11160

SPRING

SN: 1501-UP

9шт.

29

01010-51045

BOLT

SN: 1501-UP

9шт.

30

01602-21030

WASHER

SN: 1501-UP

9шт.

31

236-10-12181

DISC

SN: 1501-UP

2шт.

31

236-10-12180

DISC

SN: 1500-1500

2шт.

32

236-10-12131

GEAR

SN: 1501-UP

1шт.

32

236-10-12130

GEAR

SN: 1500-1500

1шт.

33

236-10-12150

SPACER

SN: 1501-UP

1шт.

34

236-10-12160

GEAR

SN: 1501-UP

1шт.

35

236-10-11250

BEARING

SN: 1501-UP

1шт.

36

236-10-12170

SPACER

SN: 1501-UP

1шт.

37

236-10-12230

PIN

SN: 1501-UP

6шт.

38

236-10-12240

SPRING

SN: 1501-UP

12шт.

39

287-10-11150

PLATE

SN: 1501-UP

1шт.

40

01010-51020

BOLT

SN: 1501-UP

1шт.

41

01602-21030

WASHER

SN: 1501-UP

1шт.

Выбрано товаров: 66