Запчасти Komatsu GD22AC-1A ПОПЕРЕЧНАЯ РУЛЕВ. ТЯГА КОЛЕСА¤ РУЛЕВ. УПРАВЛЕНИЕ И СИСТЕМА УПРАВЛЕНИЯS

Схема запчастей Komatsu GD22AC-1A - ПОПЕРЕЧНАЯ РУЛЕВ. ТЯГА КОЛЕСА¤ РУЛЕВ. УПРАВЛЕНИЕ И СИСТЕМА УПРАВЛЕНИЯS
FIT
1:1
100%

Артикул

Название

Примечание

Количество

|$0

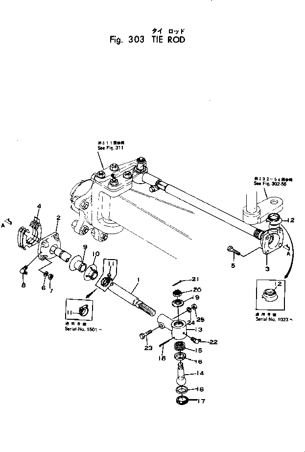
236-40-00031

TIE ROD ASS'Y

SN: 1501-UP

1шт.

|$1

236-40-00030

TIE ROD ASS'Y

SN: 1500-1500

1шт.

1

236-40-25110

ROD

SN: 1501-UP

2шт.

2

236-40-25170

CASE

SN: 1501-UP

1шт.

3

236-40-25180

CASE

SN: 1501-UP

1шт.

4

236-40-05010

SHIM ASS'Y

SN: 1501-UP

1шт.

4

0

SHIM, 0.2MM

SN: 1501-UP

8шт.

4

0

SHIM, 0.1MM

SN: 1501-UP

4шт.

5

01010-51040

BOLT

SN: 1501-UP

4шт.

6

01602-21030

WASHER

SN: 1501-UP

4шт.

7

01580-11008

NUT

SN: 1501-UP

4шт.

8

07020-00900

FITTING

SN: 1501-UP

1шт.

9

236-40-25190

BOOT

SN: 1501-UP

2шт.

10

236-40-25210

COVER

SN: 1501-UP

2шт.

11

07281-00419

CLAMP

SN: 1501-UP

2шт.

11

0

CLAMP

SN: 1500-1500

2шт.

11

0

CLAMP

SN: 1500-1500

2шт.

12

236-40-25241

BOOT

SN: 1501-UP

1шт.

12

236-40-25240

BOOT

SN: 1500-1500

1шт.

|$19

236-40-00041

CASE ASS'Y

SN: 1501-UP

2шт.

|$20

236-40-00040

CASE ASS'Y

SN: 1500-1500

2шт.

13

236-40-25331

CASE

SN: 1501-UP

1шт.

13

236-40-25330

CASE

SN: 1500-1500

1шт.

14

236-27-21211

STUD

SN: 1501-UP

1шт.

14

236-40-91110

STUD

SN: 1500-1500

1шт.

14

0

STUD

SN: 1500-1500

1шт.

15

236-40-25410

SPRING

SN: 1501-UP

1шт.

15

236-40-91120

SPRING

SN: 1500-1500

1шт.

15

0

SPRING

SN: 1500-1500

1шт.

16

236-40-25380

CASE

SN: 1501-UP

2шт.

16

236-40-91130

CASE

SN: 1501-UP

2шт.

16

0

CASE

SN: 1500-1500

2шт.

17

236-40-25390

SCREW

SN: 1501-UP

1шт.

17

236-40-91140

SCREW

SN: 1500-1500

1шт.

18

04050-15080

PIN

SN: 1501-UP

1шт.

18

04050-04060

PIN

SN: 1500-1500

1шт.

19

236-40-25341

BOOT

SN: 1501-UP

1шт.

19

236-40-25340

BOOT

SN: 1500-1500

1шт.

19

236-40-25340

BOOT

SN: 1500-1500

1шт.

20

01593-12414

NUT

SN: 1501-UP

1шт.

20

01593-01813

NUT

SN: 1500-1500

1шт.

21

04050-15040

PIN

SN: 1501-UP

1шт.

21

04050-04035

PIN

SN: 1500-1500

1шт.

22

07020-00900

FITTING

SN: 1501-UP

1шт.

23

01010-51255

BOLT

SN: 1501-UP

1шт.

24

01602-21236

WASHER

SN: 1501-UP

1шт.

25

01580-11210

NUT

SN: 1501-UP

1шт.

Выбрано товаров: 47