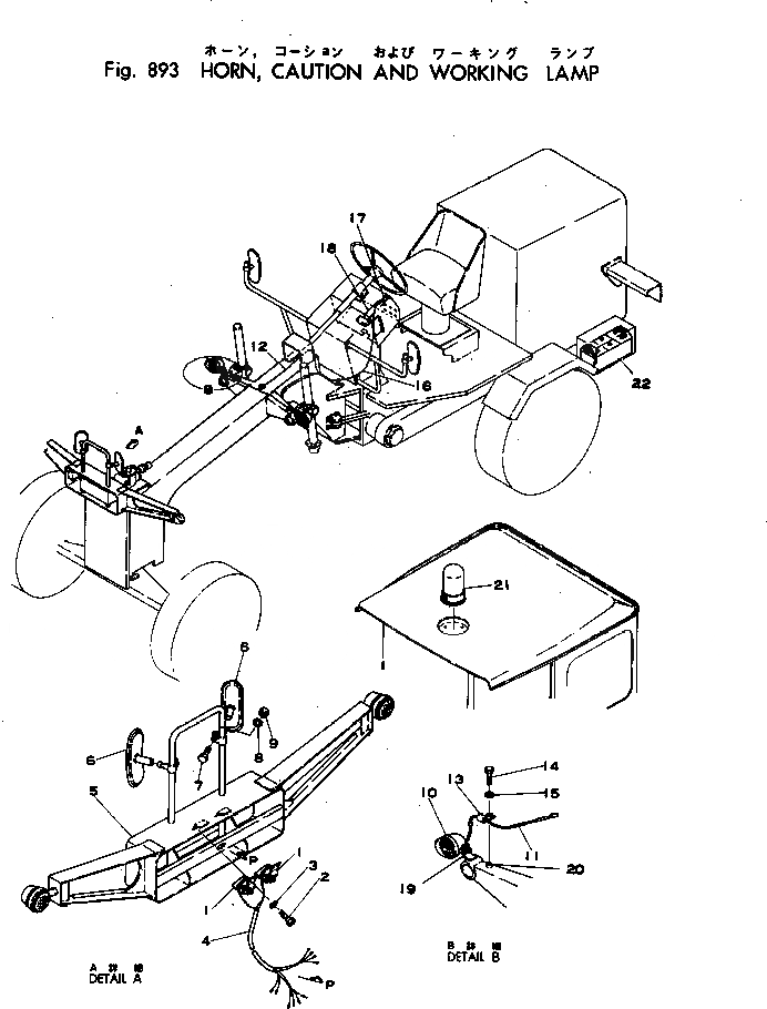
Запчасти Komatsu GD22H-1 ЗВУК. СИГНАЛ.¤ СИГНАЛИЗ-Я И ЛАМПА РАБОЧ. ОСВЕЩЕНИЯ ОПЦИОННЫЕ КОМПОНЕНТЫ

Схема запчастей Komatsu GD22H-1 - ЗВУК. СИГНАЛ.¤ СИГНАЛИЗ-Я И ЛАМПА РАБОЧ. ОСВЕЩЕНИЯ ОПЦИОННЫЕ КОМПОНЕНТЫ
FIT
1:1
100%

Артикул

Название

Примечание

Количество

|$0

236-806-0021

HORN ASS'Y,DOUBLE

SN: 1095-1500

1шт.

|$1

236-806-0020

HORN ASS'Y,DOUBLE

SN: 1003-1094

1шт.

1

08160-22400

HORN

SN: 1003-1500

1шт.

2

01010-50816

BOLT

SN: 1003-1500

2шт.

3

01602-20825

WASHER

SN: 1003-1500

2шт.

4

236-806-2120

WIRE HARNESS

SN: 1003-1094

1шт.

5

236-806-2112

BRACKET

SN: 1095-1500

1шт.

5

236-806-2111

BRACKET

SN: 1003-1094

1шт.

6

08174-10001

MIRROR

SN: 1003-1094

2шт.

7

01010-30825

BOLT

SN: 1003-1094

2шт.

8

01602-00825

WASHER

SN: 1003-1094

2шт.

9

01580-00806

NUT

SN: 1003-1094

2шт.

|$12

236-808-0010

WORK LAMP ASS'Y

SN: 1003-1500

1шт.

10

232-06-13310

LAMP ASS'Y

SN: 1003-1500

2шт.

10

232-06-13320

BULB, 40W

SN: 1003-1500

1шт.

11

236-808-8130

CABLE

SN: 1003-1082

2шт.

12

236-808-8151

CABLE

SN: 1083-1500

1шт.

12

236-808-8150

CABLE

SN: 1003-1082

1шт.

13

08036-10814

CLIP

SN: 1003-1500

4шт.

14

01010-51016

BOLT

SN: 1003-1500

3шт.

15

01602-21030

WASHER

SN: 1003-1500

3шт.

16

236-808-8121

CABLE

SN: 1003-1500

1шт.

17

08060-00020

SWITCH

SN: 1084-1500

1шт.

17

0

SWITCH

SN: 1003-1082

1шт.

18

236-808-8140

CABLE

SN: 1003-1500

1шт.

19

236-808-8210

FRAME

SN: 1003-1500

1шт.

20

01571-01016

SEAT

SN: 1003-1500

3шт.

21

130-847-1222

LAMP

SN: 1003-1500

1шт.

22

08000-01215

BATTERY (145G51)

SN: 1003-1500

2шт.

22

203-09-21120

BATTERY,NX250-12

SN: 1003-1500

2шт.

Выбрано товаров: 30