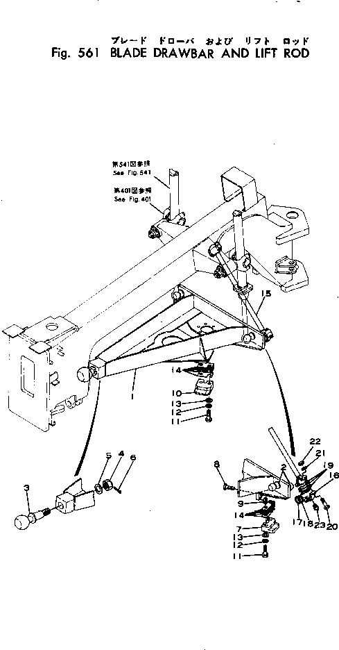
Запчасти Komatsu GD22H-1 ОТВАЛ СЦЕПНОЕ УСТРОЙСТВО И LIFT ROD РАБОЧЕЕ ОБОРУДОВАНИЕ И ITS СИСТЕМА УПРАВЛЕНИЯ

Схема запчастей Komatsu GD22H-1 - ОТВАЛ СЦЕПНОЕ УСТРОЙСТВО И LIFT ROD РАБОЧЕЕ ОБОРУДОВАНИЕ И ITS СИСТЕМА УПРАВЛЕНИЯ
FIT
1:1
100%

Артикул

Название

Примечание

Количество

1

236-70-21110

DRAWBAR

SN: 1003-1500

1шт.

2

236-70-21121

BALL

SN: 1003-1500

3шт.

3

233-70-11211

STUD

SN: 1003-1500

1шт.

4

01590-03940

NUT

SN: 1003-1500

1шт.

5

01640-03950

WASHER

SN: 1003-1500

1шт.

6

04050-06070

PIN

SN: 1003-1500

1шт.

7

236-70-11121

GUIDE

SN: 1003-1500

2шт.

8

01016-32060

BOLT

SN: 1003-1500

4шт.

9

01580-02016

NUT

SN: 1003-1500

4шт.

10

236-70-11132

GUIDE

SN: 1023-1500

2шт.

|10

236-70-11131

GUIDE

SN: 1003-1022

2шт.

11

01010-32085

BOLT

SN: 1023-1500

8шт.

|11

01010-32080

BOLT

SN: 1003-1022

8шт.

12

01602-02060

WASHER

SN: 1003-1500

8шт.

13

236-70-21150

WASHER

SN: 1023-1500

8шт.

|13

01640-02032

WASHER

SN: 1003-1022

8шт.

14

236-70-05010

SHIM ASS'Y

SN: 1003-1500

1шт.

|14

0

SHIM¤ 0.5MM

SN: 1003-1500

20шт.

|14

0

SHIM¤ 1.0MM

SN: 1003-1500

4шт.

|15

236-71-00030

ROD ASS'Y

SN: 1003-1500

1шт.

15

236-71-22110

ROD

SN: 1003-1500

1шт.

|15

07135-00635

HEAD

SN: 1003-1500

2шт.

16

07138-00650

CAP

SN: 1003-1500

2шт.

17

236-63-11220

SEAL

SN: 1059-1500

2шт.

|17

0

SEAL

SN: 1003-1058

2шт.

18

07142-00650

WASHER

SN: 1003-1058

2шт.

19

236-71-05010

SHIM ASS'Y

SN: 1003-1500

1шт.

|19

0

SHIM¤ 0.5MM

SN: 1003-1500

2шт.

|19

0

SHIM¤ 0.2MM

SN: 1003-1500

4шт.

20

01010-31455

BOLT

SN: 1003-1500

4шт.

21

01602-01442

WASHER

SN: 1003-1500

4шт.

22

01580-01411

NUT

SN: 1003-1500

4шт.

23

07020-00000

FITTING

SN: 1003-1500

2шт.

Выбрано товаров: 33