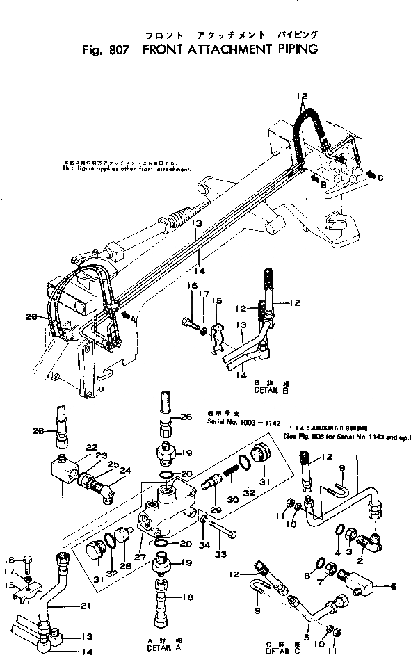
Запчасти Komatsu GD22H-1 ПЕРЕДН. НАВЕСН. ОБОРУД ТРУБЫ ОПЦИОННЫЕ КОМПОНЕНТЫ

Схема запчастей Komatsu GD22H-1 - ПЕРЕДН. НАВЕСН. ОБОРУД ТРУБЫ ОПЦИОННЫЕ КОМПОНЕНТЫ
FIT
1:1
100%

Артикул

Название

Примечание

Количество

1

236-60-24121

TUBE

SN: 1023-1500

1шт.

|1

236-60-24120

TUBE

SN: 1003-1022

1шт.

2

07232-10315

ELBOW

SN: 1003-1500

1шт.

3

07239-12009

NUT

SN: 1003-1500

1шт.

4

07002-12034

O-RING

SN: 1023-1500

1шт.

|4

0

O-RING

SN: 1003-1022

1шт.

5

236-60-24110

TUBE

SN: 1003-1500

1шт.

6

236-60-24220

ELBOW

SN: 1003-1500

1шт.

7

07239-12009

NUT

SN: 1003-1500

1шт.

8

07002-12034

O-RING

SN: 1023-1500

1шт.

|8

0

O-RING

SN: 1003-1022

1шт.

9

07283-11529

CLIP

SN: 1003-1500

2шт.

10

01643-20823

WASHER

SN: 1003-1500

4шт.

11

01598-00809

NUT

SN: 1003-1500

4шт.

12

07108-20308

HOSE

SN: 1047-1500

2шт.

|12

0

HOSE

SN: 1003-1046

2шт.

13

236-60-24670

TUBE

SN: 1003-1500

1шт.

14

236-60-24680

TUBE

SN: 1003-1500

1шт.

15

232-60-14932

CLIP

SN: 1003-1500

2шт.

16

01010-51035

BOLT

SN: 1003-1500

2шт.

17

01602-21030

WASHER

SN: 1003-1500

2шт.

18

236-60-24650

TUBE

SN: 1003-1500

1шт.

19

236-60-24640

NIPPLE

SN: 1003-1500

2шт.

20

07002-12434

O-RING

SN: 1023-1500

2шт.

|20

0

O-RING

SN: 1003-1022

2шт.

21

236-60-24660

TUBE

SN: 1003-1500

1шт.

22

236-60-14652

ELBOW

SN: 1003-1500

1шт.

23

07002-12034

O-RING

SN: 1023-1500

1шт.

|23

0

O-RING

SN: 1003-1022

1шт.

24

07232-10315

ELBOW

SN: 1003-1500

1шт.

25

07239-12009

NUT

SN: 1003-1500

1шт.

26

07108-20311

HOSE

SN: 1023-1500

2шт.

|26

0

HOSE

SN: 1003-1022

1шт.

27

234-60-00061

VALVE ASS'Y,PILOT CHECK

SN: 1023-1142

1шт.

|27

0

VALVE ASS'Y,PILOT CHECK

SN: 1003-1022

1шт.

30

234-60-16350

SPRING

SN: 1003-1142

1шт.

31

234-60-16340

PLUG

SN: 1003-1142

2шт.

32

07002-13034

O-RING

SN: 1023-1142

2шт.

|32

0

O-RING

SN: 1003-1022

2шт.

33

01010-50865

BOLT

SN: 1003-1500

3шт.

34

01602-21030

WASHER

SN: 1003-1500

3шт.

Выбрано товаров: 0