Запчасти Komatsu GD22H-1 ЭЛЕКТРИКА (ДЛЯ КАБИНЫ) ОПЦИОННЫЕ КОМПОНЕНТЫ

Схема запчастей Komatsu GD22H-1 - ЭЛЕКТРИКА (ДЛЯ КАБИНЫ) ОПЦИОННЫЕ КОМПОНЕНТЫ
FIT
1:1
100%

Артикул

Название

Примечание

Количество

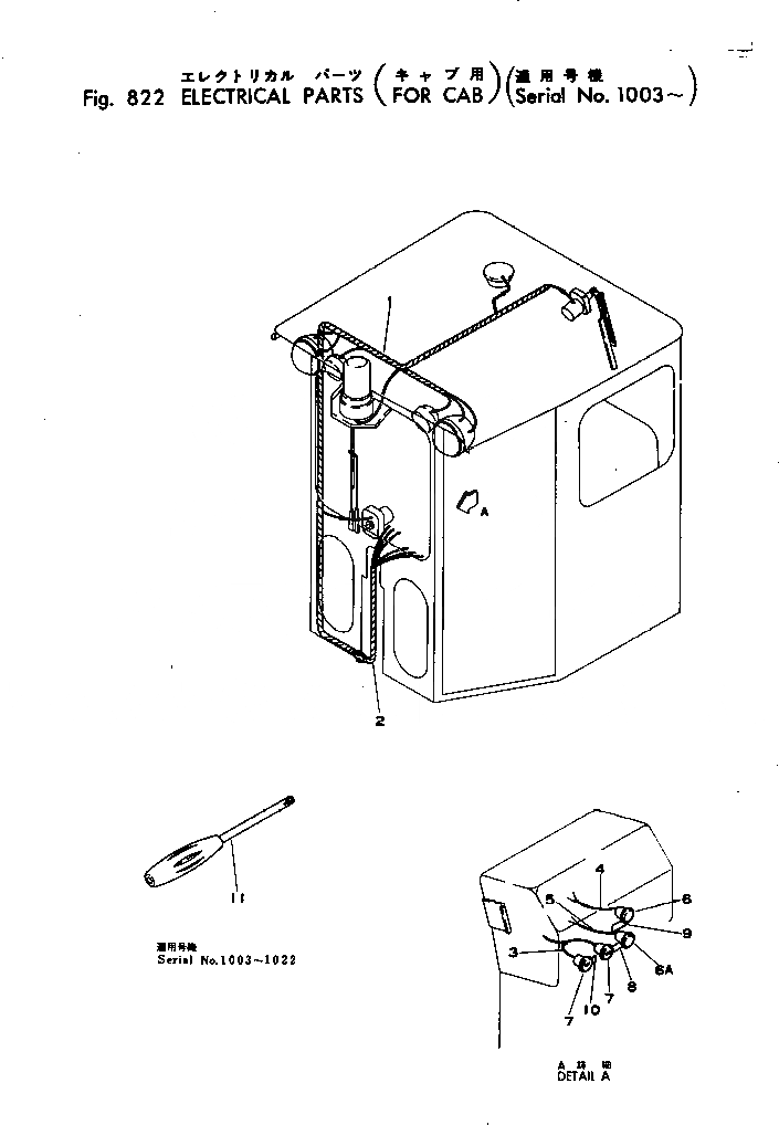
1

232-855-2140

HARNESS

SN: 1003-1500

1шт.

2

232-855-8560

HARNESS

SN: 1003-1500

1шт.

3

236-855-1330

CABLE

SN: 1003-1500

1шт.

4

236-855-1340

CABLE

SN: 1003-1500

2шт.

5

236-855-1350

CABLE

SN: 1003-1500

1шт.

6

236-06-23370

SWITCH,FOG LAMP

SN: .-1500

1шт.

|6

0

SWITCH,FOG LAMP

SN: 1083-.

1шт.

|6

0

SWITCH,FOG LAMP

SN: 1003-1082

2шт.

6A

236-06-23360

SWITCH,ROOM LAMP

SN: .-1500

1шт.

|6A

0

SWITCH,ROOM LAMP

SN: 1083-.

1шт.

7

08182-00000

SWITCH,WIPER

SN: 1003-1500

2шт.

8

232-855-1910

PLATE¤ NAME,ROOM LAMP

SN: 1003-1082

1шт.

9

232-855-1920

PLATE¤ NAME,FOG LAMP

SN: 1003-1082

1шт.

10

232-855-1930

PLATE¤ NAME,WIPER

SN: 1003-1082

1шт.

11

09031-00100

DRIVER

SN: 1003-1022

1шт.

Выбрано товаров: 0