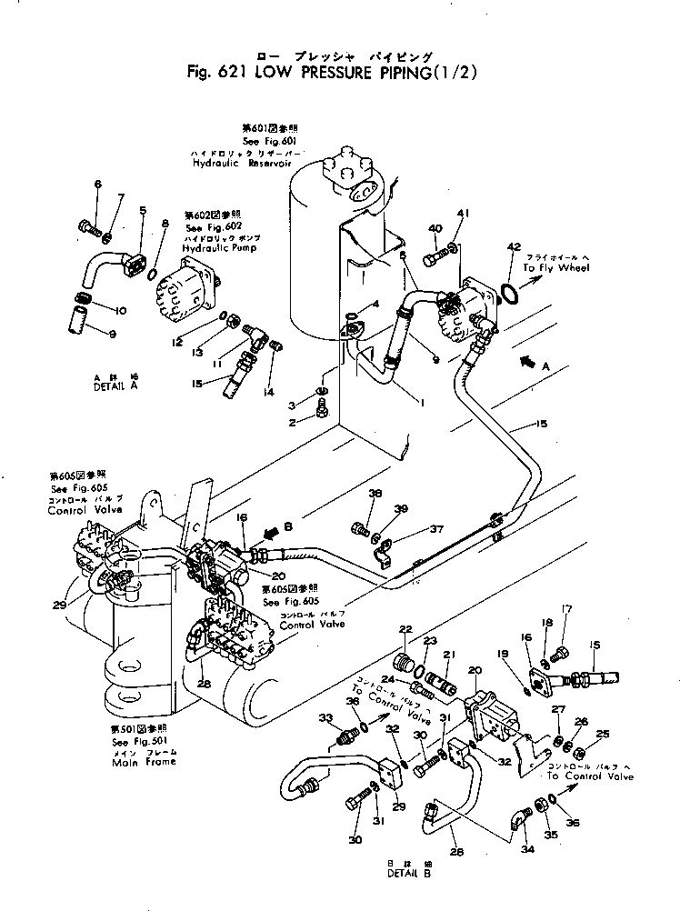
Запчасти Komatsu GD28AC-1 ГИДРОЛИНИЯ (ИЗ БАКА В НАСОС - УПРАВЛЯЮЩ. КЛАПАН) РАБОЧЕЕ ОБОРУДОВАНИЕ И ГИДРАВЛ СИСТЕМА УПРАВЛЕНИЯ

Схема запчастей Komatsu GD28AC-1 - ГИДРОЛИНИЯ (ИЗ БАКА В НАСОС - УПРАВЛЯЮЩ. КЛАПАН) РАБОЧЕЕ ОБОРУДОВАНИЕ И ГИДРАВЛ СИСТЕМА УПРАВЛЕНИЯ
FIT
1:1
100%

Артикул

Название

Примечание

Количество

1

237-60-15110

TUBE

SN: 1002-UP

1шт.

2

01010-31030

BOLT

SN: 1002-UP

2шт.

3

01602-01030

WASHER,SPRING

SN: 1002-UP

2шт.

4

07000-13035

O-RING (KIT)

SN: 1002-UP

1шт.

5

237-60-15120

TUBE

SN: 1002-UP

1шт.

6

01010-31035

BOLT

SN: 1002-UP

4шт.

7

01602-01030

WASHER,SPRING

SN: 1002-UP

4шт.

8

07000-13032

O-RING (KIT)

SN: 1002-UP

1шт.

9

07260-23220

HOSE

SN: 1002-UP

1шт.

10

07281-00489

CLAMP

SN: 1002-UP

2шт.

11

07233-10522

ELBOW

SN: 1016-UP

1шт.

11

0

ELBOW

SN: 1002-1015

1шт.

12

07002-12434

O-RING (KIT)

SN: 1002-UP

1шт.

13

07239-12410

NUT

SN: 1002-UP

1шт.

14

07042-20108

PLUG

SN: 1002-UP

1шт.

15

07108-20516

HOSE

SN: 1002-UP

1шт.

16

237-60-15370

NIPPLE

SN: 1002-UP

1шт.

17

01010-31025

BOLT

SN: 1002-UP

4шт.

18

01602-01030

WASHER,SPRING

SN: 1002-UP

4шт.

19

07000-13028

O-RING (KIT)

SN: 1002-UP

1шт.

|$20

237-60-00021

FLOW DIVIDER ASS'Y

SN: 1136-UP

1шт.

|$21

0

FLOW DIVIDER ASS'Y

SN: 1076-1135

1шт.

|$22

0

FLOW DIVIDER ASS'Y

SN: 1002-1075

1шт.

20

0

HOUSING

SN: 1002-UP

1шт.

21

0

PISTON

SN: 1076-UP

1шт.

21

0

PISTON

SN: 1002-1075

1шт.

22

237-60-17130

PLUG

SN: 1136-UP

2шт.

22

07040-14220

PLUG

SN: .-1135

2шт.

22

0

PLUG

SN: 1002-.

2шт.

23

07002-14234

O-RING

SN: 1002-UP

1шт.

24

01010-31035

BOLT

SN: 1002-UP

3шт.

25

01580-01008

NUT

SN: 1002-UP

3шт.

26

01602-01030

WASHER,SPRING

SN: 1002-UP

3шт.

27

01643-21232

WASHER

SN: 1002-UP

3шт.

28

237-60-15130

TUBE

SN: 1002-UP

1шт.

29

237-60-15140

TUBE

SN: 1002-UP

1шт.

30

01010-31050

BOLT

SN: 1002-UP

8шт.

31

01602-01030

WASHER,SPRING

SN: 1002-UP

8шт.

32

07000-13022

O-RING (KIT)

SN: 1002-UP

2шт.

33

07230-10522

UNION

SN: 1002-UP

2шт.

34

07232-10522

ELBOW

SN: 1002-UP

1шт.

35

07239-12410

NUT

SN: 1002-UP

1шт.

36

07002-12434

O-RING (KIT)

SN: 1002-UP

2шт.

37

07282-02793

CLAMP

SN: 1002-UP

2шт.

38

01010-31016

BOLT

SN: 1002-UP

4шт.

39

01602-01030

WASHER,SPRING

SN: 1002-UP

4шт.

40

01010-51040

BOLT

SN: 1002-UP

4шт.

41

01602-01030

WASHER,SPRING

SN: 1002-UP

4шт.

42

07000-12065

O-RING

SN: 1002-UP

1шт.

Выбрано товаров: 49