Запчасти Komatsu GD28AC-1 ГИДРОЛИНИЯ (SCARIFIER ЛИНИЯ ЦИЛИНДРА) (/) РАБОЧЕЕ ОБОРУДОВАНИЕ И ГИДРАВЛ СИСТЕМА УПРАВЛЕНИЯ

Схема запчастей Komatsu GD28AC-1 - ГИДРОЛИНИЯ (SCARIFIER ЛИНИЯ ЦИЛИНДРА) (/) РАБОЧЕЕ ОБОРУДОВАНИЕ И ГИДРАВЛ СИСТЕМА УПРАВЛЕНИЯ
FIT
1:1
100%

Артикул

Название

Примечание

Количество

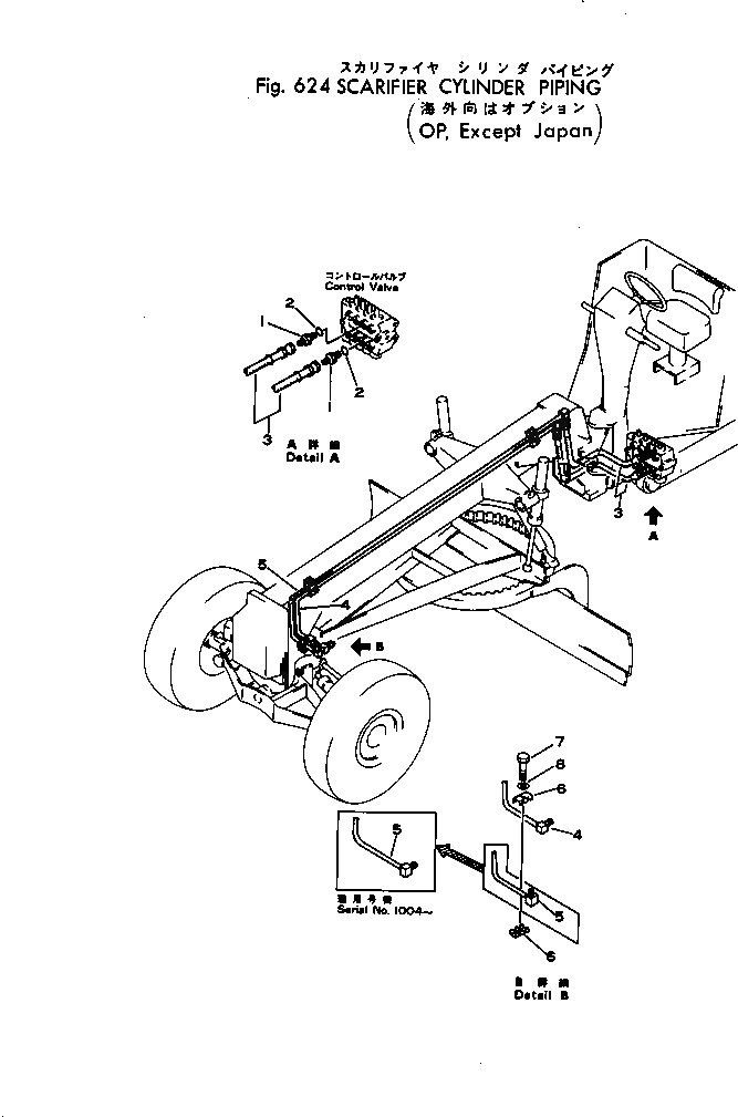
1

237-60-14110

NIPPLE

SN: 1002-UP

2шт.

2

07002-12034

O-RING (KIT)

SN: 1002-UP

2шт.

3

07113-00312

HOSE

SN: 1002-UP

2шт.

4

237-60-14611

TUBE

SN: 1004-UP

1шт.

4

237-60-14610

TUBE

SN: 1002-1003

1шт.

5

237-60-14621

TUBE

SN: 1004-UP

1шт.

5

237-60-14620

TUBE

SN: 1002-1003

1шт.

6

237-60-14130

CLIP

SN: 1002-UP

3шт.

7

01010-31045

BOLT

SN: 1002-UP

2шт.

8

01602-01030

WASHER,SPRING

SN: 1002-UP

2шт.

Выбрано товаров: 0