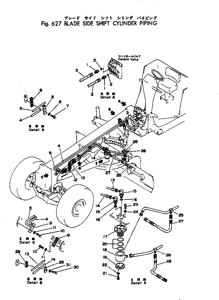
Запчасти Komatsu GD28AC-1 HTDRAULIC ТРУБЫ (ЦИЛИНДР СДВИГ. ОТВАЛА ЛИНИЯ) РАБОЧЕЕ ОБОРУДОВАНИЕ И ГИДРАВЛ СИСТЕМА УПРАВЛЕНИЯ

Схема запчастей Komatsu GD28AC-1 - HTDRAULIC ТРУБЫ (ЦИЛИНДР СДВИГ. ОТВАЛА ЛИНИЯ) РАБОЧЕЕ ОБОРУДОВАНИЕ И ГИДРАВЛ СИСТЕМА УПРАВЛЕНИЯ
FIT
1:1
100%

Артикул

Название

Примечание

Количество

1

237-60-14110

NIPPLE

SN: 1002-UP

2шт.

2

07002-12034

O-RING (KIT)

SN: 1002-UP

2шт.

3

07113-00312

HOSE

SN: 1002-UP

2шт.

4

237-60-14410

TUBE

SN: 1002-UP

1шт.

5

237-60-14420

TUBE

SN: 1002-UP

1шт.

6

237-60-14120

CLIP

SN: 1002-UP

2шт.

7

01010-31050

BOLT

SN: 1002-UP

2шт.

8

01602-01030

WASHER,SPRING

SN: 1002-UP

2шт.

9

237-60-14160

CLIP

SN: 1002-UP

1шт.

10

01010-31035

BOLT

SN: 1002-UP

2шт.

11

01602-01030

WASHER,SPRING

SN: 1002-UP

2шт.

12

07109-20307

HOSE

SN: 1002-UP

2шт.

13

237-60-14430

TUBE

SN: 1002-UP

1шт.

14

237-60-14440

TUBE

SN: 1002-UP

1шт.

15

232-60-14281

ELBOW

SN: 1002-UP

1шт.

16

07002-12434

O-RING (KIT)

SN: 1002-UP

2шт.

17

232-60-14614

FLANGE

SN: 1002-UP

1шт.

18

232-60-14622

BODY

SN: 1002-UP

1шт.

19

232-60-14633

FLANGE

SN: 1002-UP

1шт.

20

07000-15075

O-RING (KIT)

SN: 1002-UP

3шт.

21

01010-31030

BOLT

SN: 1002-UP

3шт.

22

01602-01030

WASHER,SPRING

SN: 1002-UP

3шт.

23

01010-31235

BOLT

SN: 1002-UP

6шт.

24

01602-01236

WASHER,SPRING

SN: 1002-UP

6шт.

25

237-60-14450

TUBE

SN: 1002-UP

1шт.

26

237-60-14460

TUBE

SN: 1002-UP

1шт.

27

07108-20307

HOSE

SN: 1604-UP

1шт.

27

07109-20307

HOSE

SN: 1002-1603

1шт.

28

07108-20305

HOSE

SN: 1604-UP

1шт.

28

07109-20305

HOSE

SN: 1002-1603

1шт.

29

232-60-14932

CLIP

SN: 1002-UP

4шт.

30

01010-31045

BOLT

SN: 1002-UP

2шт.

31

01602-01030

WASHER,SPRING

SN: 1002-UP

2шт.

Выбрано товаров: 33